

第1页 / 共16页

第2页 / 共16页

第3页 / 共16页

第4页 / 共16页

第5页 / 共16页

第6页 / 共16页

第7页 / 共16页

第8页 / 共16页

第9页 / 共16页

第10页 / 共16页
试读已结束,还剩6页,您可下载完整版后进行离线阅读
THE END
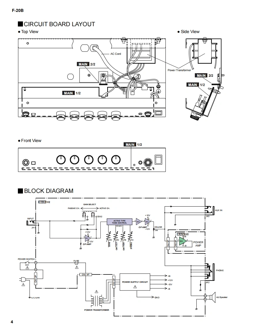
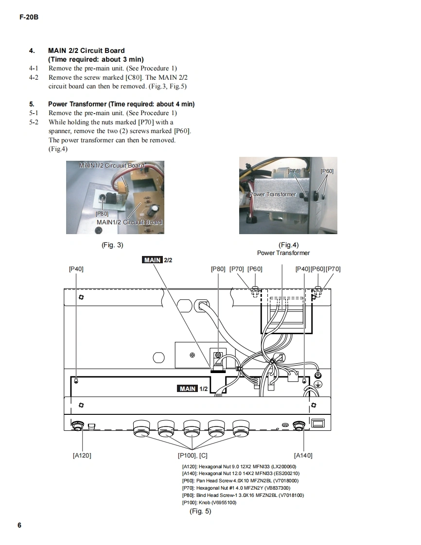
BASS AMPLIFIERF-20BSERVICE MANUAL6=99999YAMAHAE■CONTENTSSPECIFICATIONS3PANEL LAYOUT..CIRCUIT BOARD LAYOUT..4BLOCK DIAGRAMDISASSEMBLY PROCEDURE.5.CIRCUIT BOARDSIC BLOCK DIAGRAM.88PARTS LISTThdoou士aprintd anrin)pp南w前oyikOVERALL CIRCUIT DIAGRAMYAMAHAGA011592HAMAMATSU.JAPAN20010720-178001.507K-033 K (DPrinted in Japan 2001.08
请登录后查看评论内容