

第1页 / 共51页

第2页 / 共51页

第3页 / 共51页

第4页 / 共51页

第5页 / 共51页

第6页 / 共51页

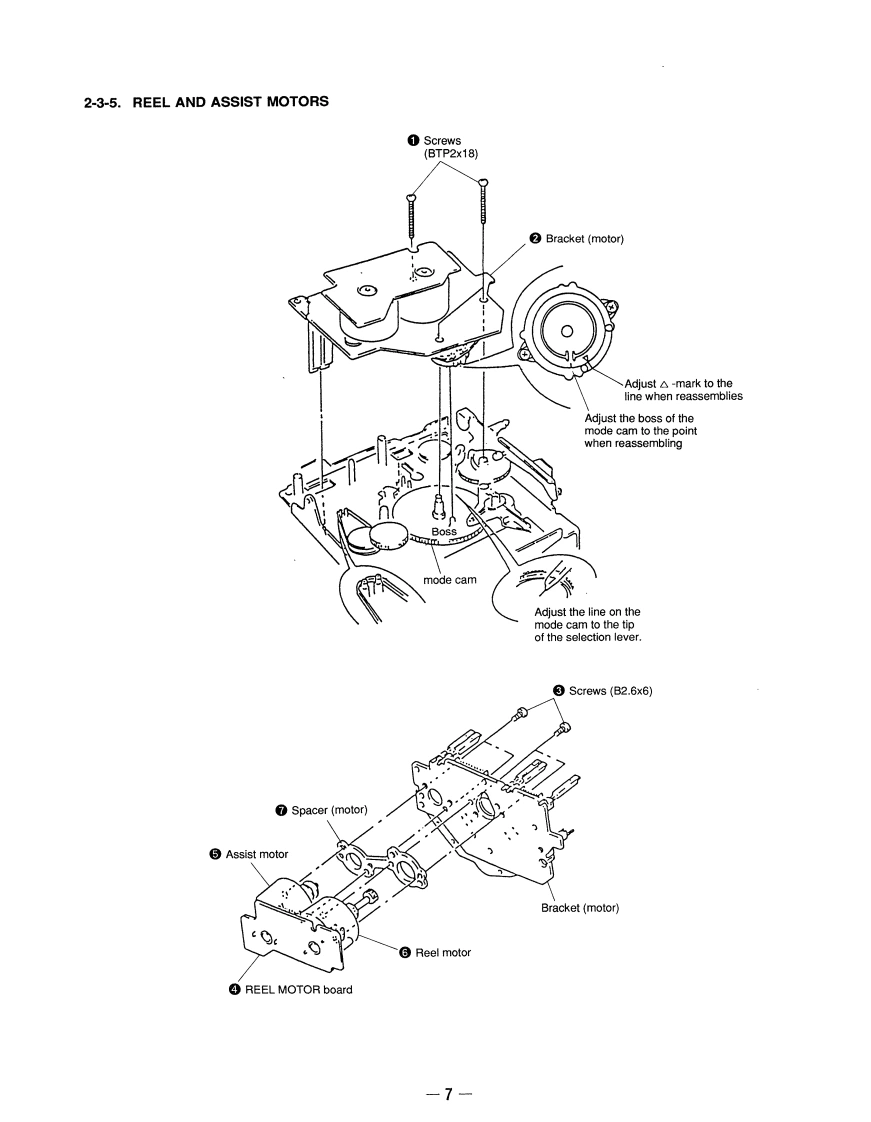
第7页 / 共51页

第8页 / 共51页

第9页 / 共51页

第10页 / 共51页
试读已结束,还剩41页,您可下载完整版后进行离线阅读
THE END
TC-WA9ESSERVICE MANUALUS ModelCanadian ModelEModelAustralian ModelDolby noise reduction and HX Pro headroom extensionmanufactured under license from Dolby Laboratories LicensingModel Name Using Similar MechanismNEWCorporation.HX Pro originated by Bang Olufsen.Tape Transport Mechanism TypeTCM-200R12"DOLBY",the double-D symbol 0 and"HX PRO"are trademarksof Dolby Laboratories Licensing Corporation.SPECIFICATIONSSystemOutputsRecording system4-track 2-channel stereoLine outputs (phone jacks)Rated output level:05 V at a load impedance ofFast winding time (apprer.)47 kilo90 sec.(with Sony C-60 cassette)BiasAC biasSignal-to-noire rati(at peak level,weighted,and with)32 ohmsGeneralypePower requirementsSN ratie imecovement lapproximate values)US,Canadian model 120 V AC,60 HzWith Dolby B NR on:5dB at 1 kHz,10dB at5 kHzAustralian model240VAC,5060HzWith Dolby C NR on:15 dB at 500 Hz,20 dB at 1 kHzE model120220240VAC.5060HzWith Dolby S NR on:10 dB at 100 Hz,24 dB at 1 kHzPower coHarmanic distertion04(with Type 1 tape,Sony Type i (NORMAL160 nWb/m 315 Hz,3rd H.D)Dimensions (apprex)(wih/d)器化Typ IV (METAL430×135¥350mm{w/h/017×5A×13 Th inches)Freqency response (Dolby koff)including projecting parts and controisType I tape,Sony Type 1 (NORMAL):25-16,000 HzMass (approx.)dB,IEC)65kg140s602doyTypel HGH0Supplied accessoriesType IV tape,Sony Type IV (METAL):25-20,000 Ha(2phono plugs-2 phono(US,Canadian model).25-19,000 Hz (E.Australian model)mander RM-J903 (1)*(,IEC)Souy size AA (R6)batteries (30-15.000 Hx (3 dB,-4 dB recording)not supplied with the US,Canadian modelsWow and flutter±0.09%W.Peak (IEC)0.05察W.RM5NAt0.16%W.Peak (DIN)Variable pitch range (appror300303hpu地Line inputs (phono jacks到Sersitivity 0.16VInput impedance:47 kllohmsSTEREO CASSETTE DECKSONY
请登录后查看评论内容