雅马哈Yamaha-G100-115-service维修服务手册含电器原理图-manual

雅马哈Yamaha-G100-115-service维修服务手册含电器原理图-manual-找手册网
雅马哈Yamaha-G100-115-service维修服务手册含电器原理图-manual
此内容为付费资源,请付费后查看
1921
付费资源

第1页 / 共15页

第2页 / 共15页

第3页 / 共15页

第4页 / 共15页

第5页 / 共15页

第6页 / 共15页

第7页 / 共15页

第8页 / 共15页

第9页 / 共15页

第10页 / 共15页
试读已结束,还剩5页,您可下载完整版后进行离线阅读
THE END
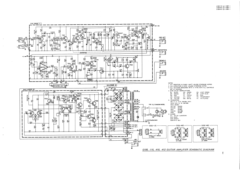
米YAMAHAG100,-115,-410,-412 Guitar AmplifiersSERVICE MANUALLsM28R]①13色Printed inJJapan475
喜欢就支持一下吧
评论 抢沙发

请登录后发表评论

    请登录后查看评论内容