雅马哈Yamaha-G100-Service-Manual维修服务手册说明书含电器原理图

雅马哈Yamaha-G100-Service-Manual维修服务手册说明书含电器原理图-找手册网
雅马哈Yamaha-G100-Service-Manual维修服务手册说明书含电器原理图
此内容为付费资源,请付费后查看
1921
付费资源

第1页 / 共12页

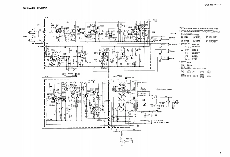
第2页 / 共12页

第3页 / 共12页

第4页 / 共12页

第5页 / 共12页

第6页 / 共12页

第7页 / 共12页

第8页 / 共12页

第9页 / 共12页

第10页 / 共12页
试读已结束,还剩2页,您可下载完整版后进行离线阅读
THE END
C-4G100GUITAR AMPLIFIER子来房房》防8形YAMAHA SERVICE MANUALsM-3①20③Printed in Japan3.78
喜欢就支持一下吧
评论 抢沙发

请登录后发表评论

    请登录后查看评论内容