雅马哈Yamaha-G50_G100_112_series-IISERVICE-MANUAL维修手册电器原理图

雅马哈Yamaha-G50_G100_112_series-IISERVICE-MANUAL维修手册电器原理图-找手册网
雅马哈Yamaha-G50_G100_112_series-IISERVICE-MANUAL维修手册电器原理图
此内容为付费资源,请付费后查看
1921
付费资源

第1页 / 共2页

第2页 / 共2页
已完成全部阅读,共2
THE END
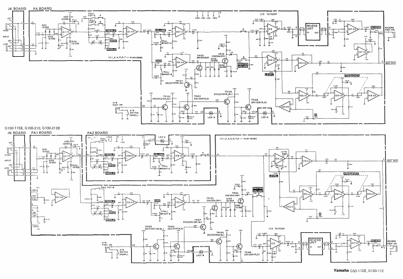
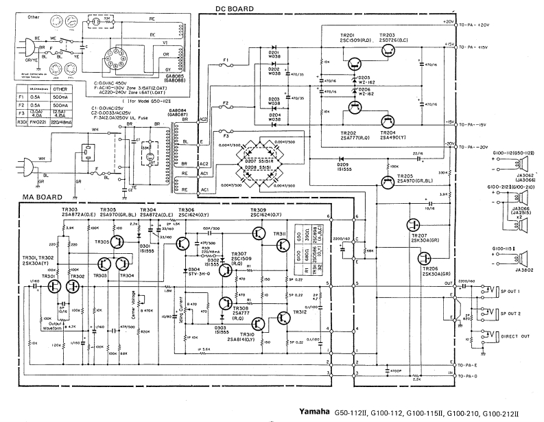
JK BOARDPA BOARDaaG100:115,G100-210.G1002121JK BOARDPA1 BOARDPA2B0A月DTFRQ-L9C7Yamaha G50-1120.G100-112
喜欢就支持一下吧
评论 抢沙发

请登录后发表评论

    请登录后查看评论内容