

第1页 / 共17页

第2页 / 共17页

第3页 / 共17页

第4页 / 共17页

第5页 / 共17页

第6页 / 共17页

第7页 / 共17页

第8页 / 共17页

第9页 / 共17页

第10页 / 共17页
试读已结束,还剩7页,您可下载完整版后进行离线阅读
THE END
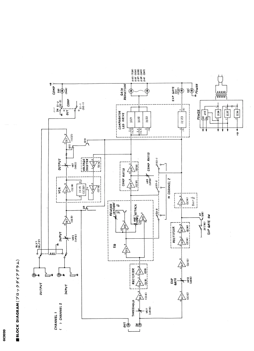
2-Channels Compressor/LimiterGC2020SERVICE MANUAL■FRONT PANELYAMAHA直00可可酒女0盲变包可回可鱼0■REAR PANEL@@■CONTENTS(目次)IMPORTANT NOTICE1EXPLODED VIEW(分解☒)··9SPECIFICATIONS(仕樣).......2MECHANISM PARTS(力部品).····,····,10DIMENSIONS(寸法☒)2CIRCUIT BOARDS ELECTRICAL PARTSCIRCUITRY OUTLINE...................3/511回路概要………4/5SCHEMATIC DIAGRAM(栽回路☒)12CIRCUIT BOARDS(之-卜☒)..67BLOCK DIAGRAM(ブ口y夕岁1了yラㄙ),··.13ADJUSTMENTS(调整仕楼)·············,SINCE 1887006659YAMAHANIPPON GAKKI CO.,LTD.HAMAMATSU.JAPAN2.25K-702▣①Printed in Japan'85.3
请登录后查看评论内容