

第1页 / 共109页

第2页 / 共109页

第3页 / 共109页

第4页 / 共109页

第5页 / 共109页

第6页 / 共109页

第7页 / 共109页

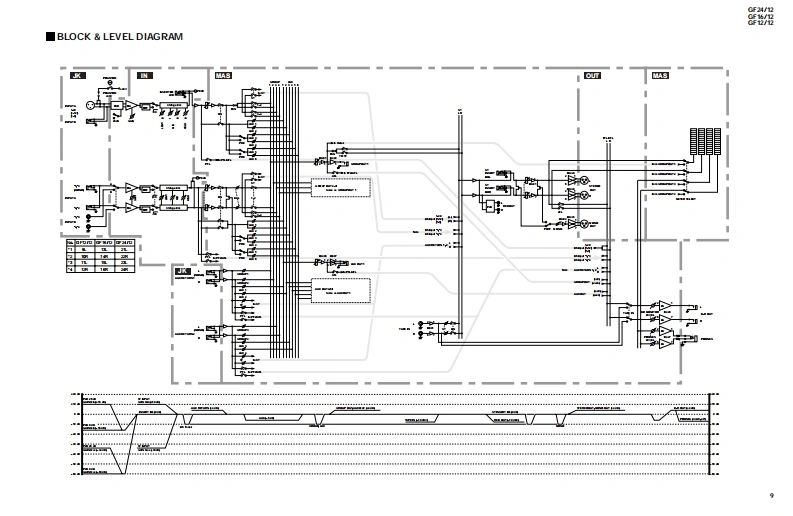
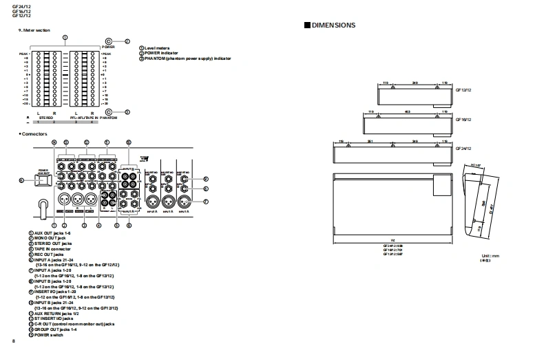
第8页 / 共109页

第9页 / 共109页

第10页 / 共109页
试读已结束,还剩99页,您可下载完整版后进行离线阅读
THE END
MIXING CONSOLE写三12/12/写三15/12/写=2十/己SERVICE MANUAL■CONTENTSSPECIFICATIONS3/4PANEL LAYOUTDIMENSIONS8BLOCK LEVEL DIAGRAM9CIRCUIT BOARD LAYOUT10WIRING11DISASSEMBLY PROCEDURE12IC BLOCK DIAGRAM17CIRCUIT BOARDS18INSPECTIONS26PARTS LISTCIRCUIT DIAGRAMYAMAHAPA011442GF2419990410-168000GF1619990410.128000HAMAMATSU,JAPANGF1219990410.1080001.92K-2651Printed in Japan '99.03
请登录后查看评论内容