

第1页 / 共14页

第2页 / 共14页

第3页 / 共14页

第4页 / 共14页

第5页 / 共14页

第6页 / 共14页

第7页 / 共14页

第8页 / 共14页

第9页 / 共14页

第10页 / 共14页
试读已结束,还剩4页,您可下载完整版后进行离线阅读
THE END
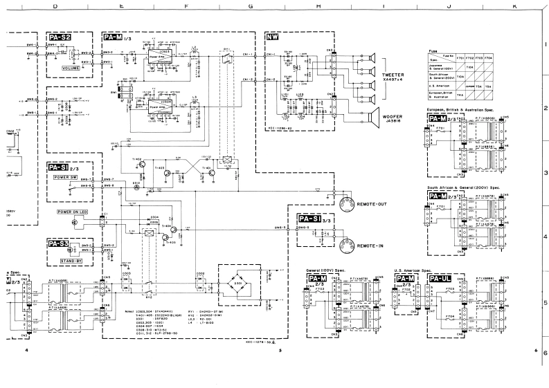
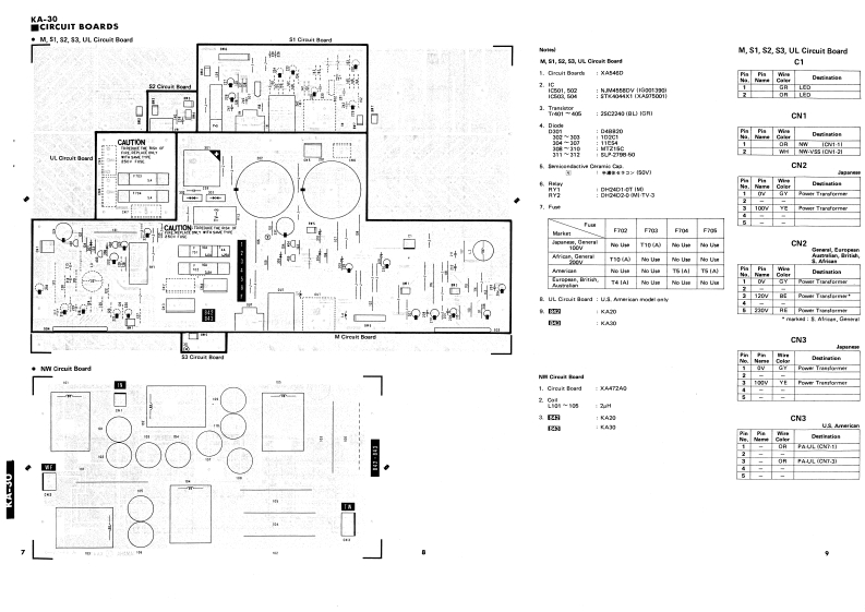
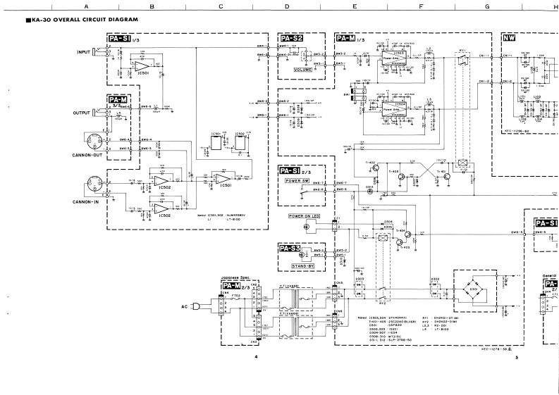
1A30KEYBOARD AMPLIFIERKA-30SERVICE MANUALYAMAHA■CONTENTSSPECIFICATIONS,··,,···········BLOCK DIAGRAM,····…PANEL LAYOUT.,,,······3OVERALL CIRCUIT DIAGRAM········4CIRCUIT BOARDS··············PARTS LISTKA-30SINCE 1887001279YAMAHANIPPON GAKKI CO.,LTD.HAMAMATSU JAPAN1.95K-231 Printed in Japan 86.9
请登录后查看评论内容