

第1页 / 共48页

第2页 / 共48页

第3页 / 共48页

第4页 / 共48页

第5页 / 共48页

第6页 / 共48页

第7页 / 共48页

第8页 / 共48页

第9页 / 共48页

第10页 / 共48页
试读已结束,还剩38页,您可下载完整版后进行离线阅读
THE END
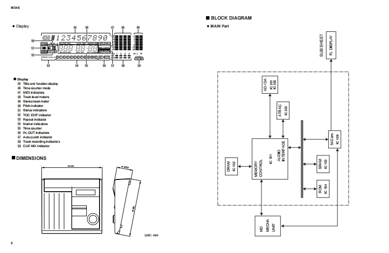
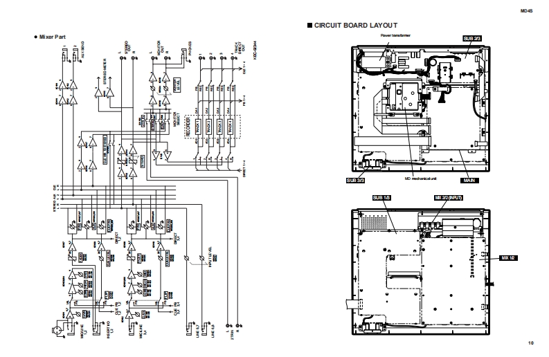
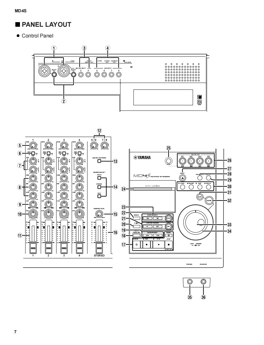
MULTITRACK MD RECORDERMD4SSERVICE MANUAL9如兰加是88■CONTENTSDISCS FOR MD4S…5…SPECIFICATIONS..................................................PANEL LAYOUT…7…DIMENSIONS…9…BLOCK DIAGRAM·9CIRCUIT BOARD LAYOUT…0…DISASSEMBLY PROCEDURE1LSI PIN DESCRIPTION…3…IC BLOCK DIAGRAM…15…CIRCUIT BOARDS.....18ERROR MESSAGES…23…INSPECTION SPECIFICATION…24…MIDI IMPLEMENTATION CHART....................................30…PARTS LISTOVERALL CIRCUIT DIAGRAMPA011433米YAMAHA19981210-79800HAMAMATSU.JAPAN1.93K-288 Printed in Japan 99.01
请登录后查看评论内容