

第1页 / 共91页

第2页 / 共91页

第3页 / 共91页

第4页 / 共91页

第5页 / 共91页

第6页 / 共91页

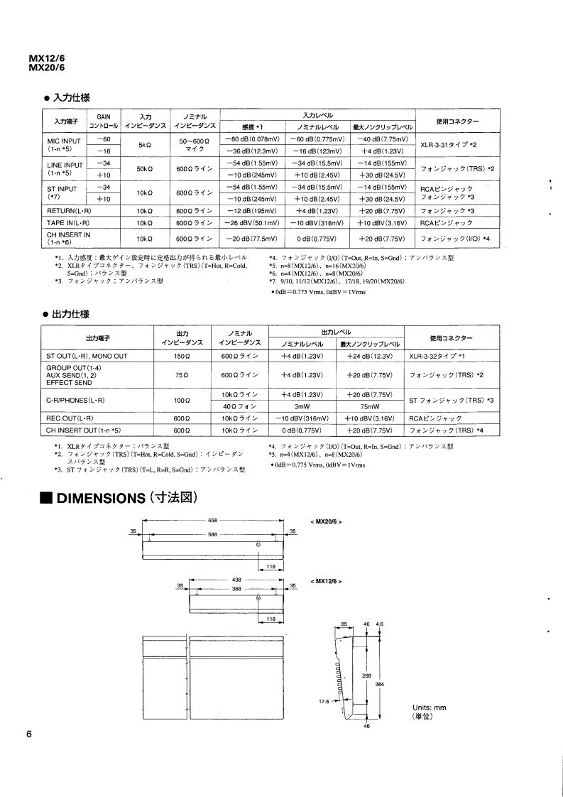
第7页 / 共91页

第8页 / 共91页

第9页 / 共91页

第10页 / 共91页
试读已结束,还剩81页,您可下载完整版后进行离线阅读
THE END
MIXING CONSOLE火冒差/6,差/6SERVICE MANUALMX12/6MX20/6■CONTENTS(目次)SPECIFICATIONS(然合仕樣)3DIMENSIONS(寸法☒)44116PANEL LAYOUT(R礻ルTヴ卜)7BLOCK LEVEL DIAGRAM..…10(口y夕&L入儿ダ不予月号4)WIRING(結線☒)..12CIRCUIT BOARD LAYOUT(1=y亻Tヴ卜).14DISASSEMBLY PROCEDURE(分解手順)…15LSI PIN DESCRIPTION(LSI端子機能表)…18IC BLOCK DIAGRAM(ICブ口y夕☒)20CIRCUIT BOARDS(之一卜基板☒)…21色808咒INSPECTIONS(検查)33CIRCUIT DIAGRAMS(回路☒)38This document is printed on chlorine tree(ECF)paper with soy ink.PARTS LISTYAMAHAPAD11541HAMAMATSU,JAPANMX12/620001210-698001.419K-7721 K Printed in Japan 200.12MX20/620001210-99800
请登录后查看评论内容