

第1页 / 共14页

第2页 / 共14页

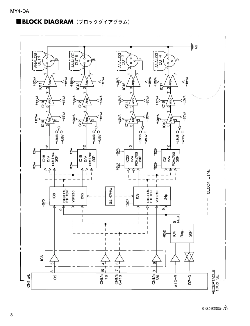
第3页 / 共14页

第4页 / 共14页

第5页 / 共14页

第6页 / 共14页

第7页 / 共14页

第8页 / 共14页

第9页 / 共14页

第10页 / 共14页
试读已结束,还剩4页,您可下载完整版后进行离线阅读
THE END
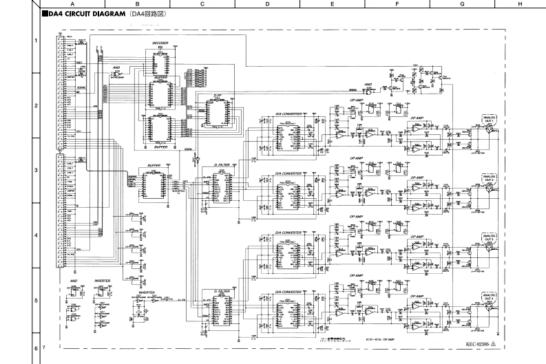
4ch DA CARDMY4-DASERVICE MANUAL衫797找YAMAHAANALOG OUTMADE IN JAP■CONTENTS(目次)SPECIFICATOPNS(合仕横)………1PANEL LAYOUT(Wバ礻儿亻7卜)…2DIMENSIONS(付法☒)…2BLOCK DIAGRAM(ブ口y夕ダT月ラ)…3LSI PIN DESCRIPTION(LS端子機能表)…4IC BLOCK DIAGRAM(ICブ口y夕☒)……5DA4 CIRUCIT BOARD(DA4之一卜基板☒)…6DA4 CIRCUIT DIAGRAM(DA4回路☒)PARTS LISTYAMAHAPA011410HAMAMATSU,JAPAN19980820-220001.94K-751 Printed in Japan '98.7
请登录后查看评论内容