

第1页 / 共123页

第2页 / 共123页

第3页 / 共123页

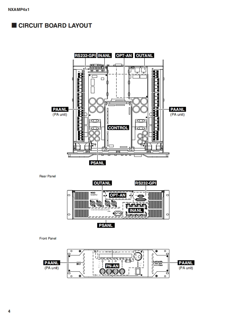
第4页 / 共123页

第5页 / 共123页

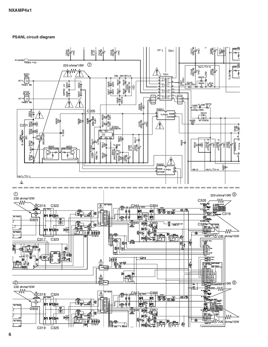
第6页 / 共123页

第7页 / 共123页

第8页 / 共123页

第9页 / 共123页

第10页 / 共123页
试读已结束,还剩113页,您可下载完整版后进行离线阅读
THE END
POWERED TD CONTROLLERNXAMP4x1SERVICE MANUALeea需NXAMP4xmem品NEXO■CONTENTSPANEL LAYOUT3CIRCUIT BOARD LAYOUT.4SERVICE PRECAUTIONSOVERALL ASSEMBLY WIRING.7DISASSEMBLY PROCEDURES7LSI PIN DESCRIPTION.…6IC BLOCK DIAGRAM27CIRCUIT BOARDS33TEST PROGRAM…52INSPECTIONS…59UPDATING THE FIRMWARE64PARTS LISTIC DIODE FIGURESBLOCK DIAGRAMCIRCUIT DIAGRAMCopyright (c)NEXO S.A.All rights reserved.PDF'08.01
请登录后查看评论内容