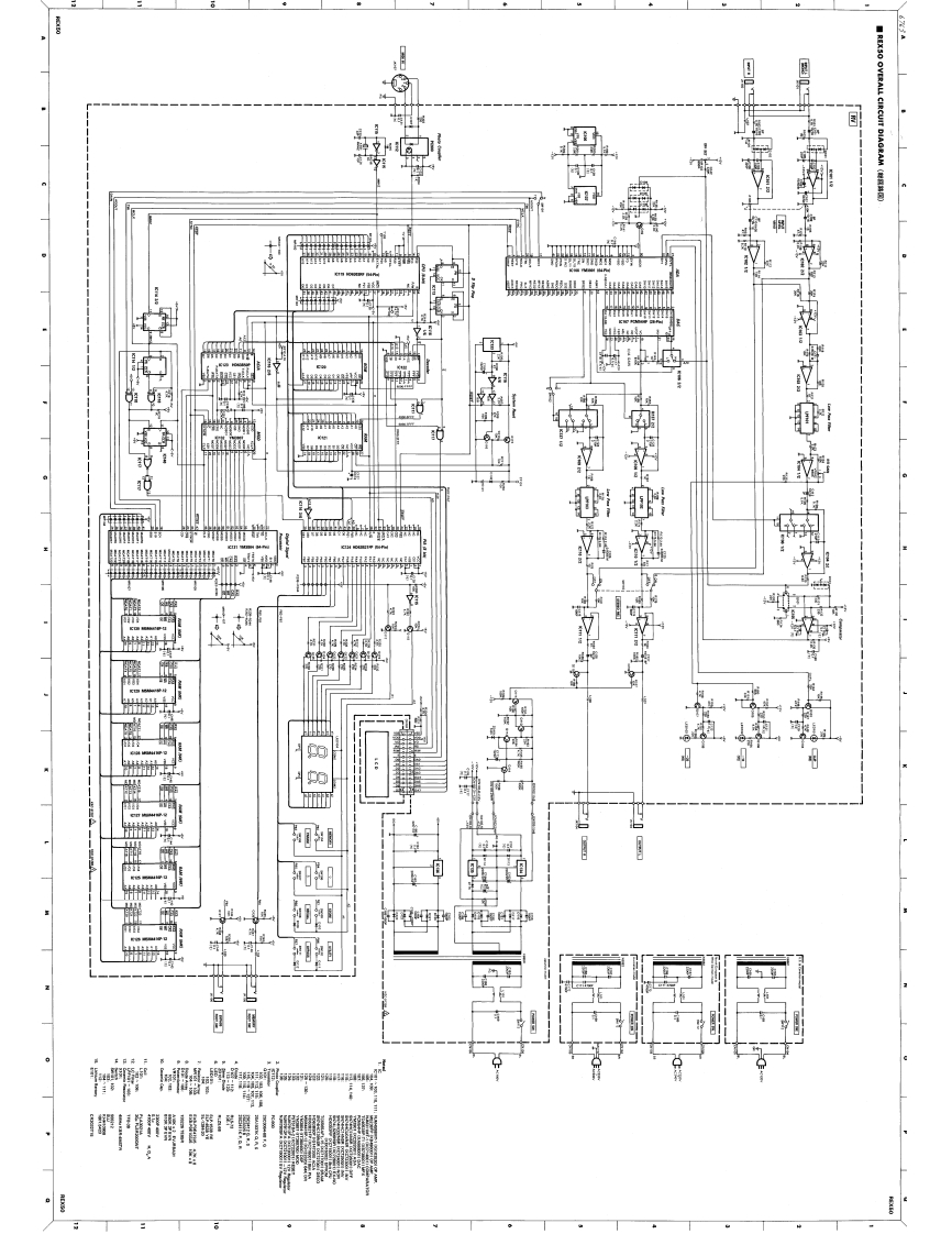
雅马哈Yamaha-REX50-Multi-Effects-Schematic电器原理图

雅马哈Yamaha-REX50-Multi-Effects-Schematic电器原理图-找手册网
雅马哈Yamaha-REX50-Multi-Effects-Schematic电器原理图
此内容为付费资源,请付费后查看
1921
付费资源

第1页 / 共1页
已完成全部阅读,共1
THE END
REXSO OVERALL CIR113:16116ml11i时进国程弱8黑用
喜欢就支持一下吧
评论 抢沙发

请登录后发表评论

    请登录后查看评论内容