

第1页 / 共31页

第2页 / 共31页

第3页 / 共31页

第4页 / 共31页

第5页 / 共31页

第6页 / 共31页

第7页 / 共31页

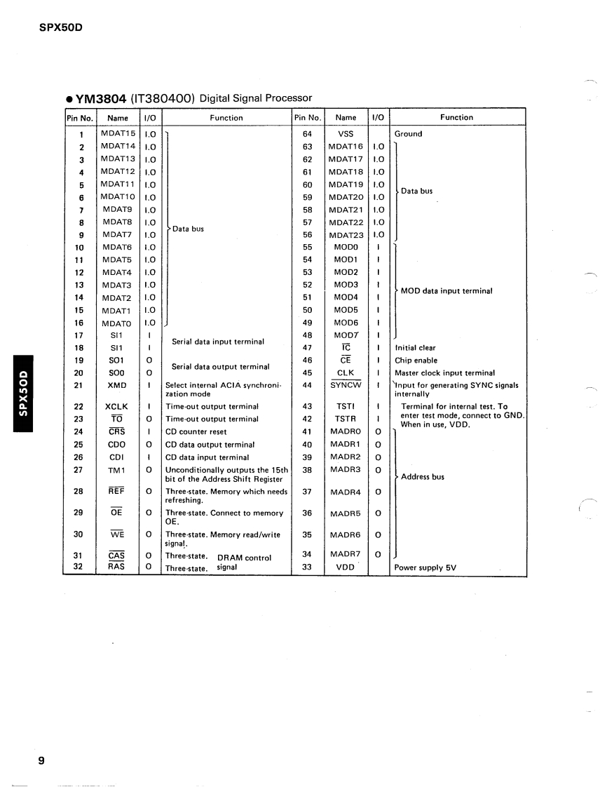
第8页 / 共31页

第9页 / 共31页

第10页 / 共31页
试读已结束,还剩21页,您可下载完整版后进行离线阅读
THE END
piDIGITAL SOUND PROCESSORSERVICE MANUALo■CONTENTS(目次)SPECIFICATIONS(然合仕楼)PANEL LAYOUT(バ礻儿彳了ヴ卜)23CIRCUIT BOARD LAYOUT(ユ二yk了ヴ卜)…BLOCK DIAGRAM(ブ口y夕ダ1T夕ラㄙ)…6DIMENS引ONS(寸法☒)…6LS引DATA TABLE(LS引端子機能表)…7IC BLOCK DIAGRAM(ICブ口y夕☒)…10CIRCUIT BOARDS(之一卜基板☒)…12DISASSEMBLY PROCEDURE(分解手順)…16TEST PROGRAM(子又卜口夕ラ4)…19CHECKS(検查)…22ADJUSTMENTS(铜整)…24ERROR MESSAGES(工ラ-メy乜-)…24MIDI DATA FORMAT(MIDIデ-夕フ才一マy卜)25MIDI IMPLEMENTATION CHART27PARTS LISTYAMAHA CORP.006865HAMAMATSU.JAPAN2.64K-313Printed in Japan '88.6.
请登录后查看评论内容