

第1页 / 共27页

第2页 / 共27页

第3页 / 共27页

第4页 / 共27页

第5页 / 共27页

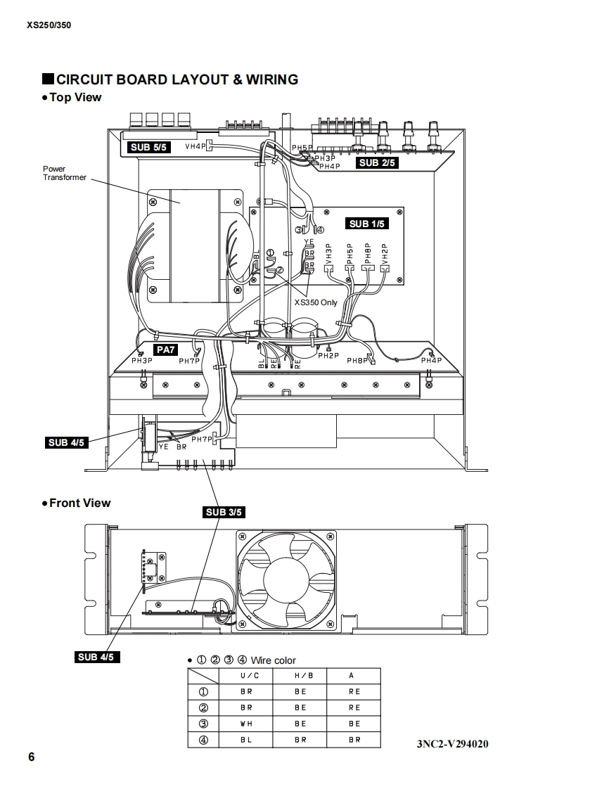
第6页 / 共27页

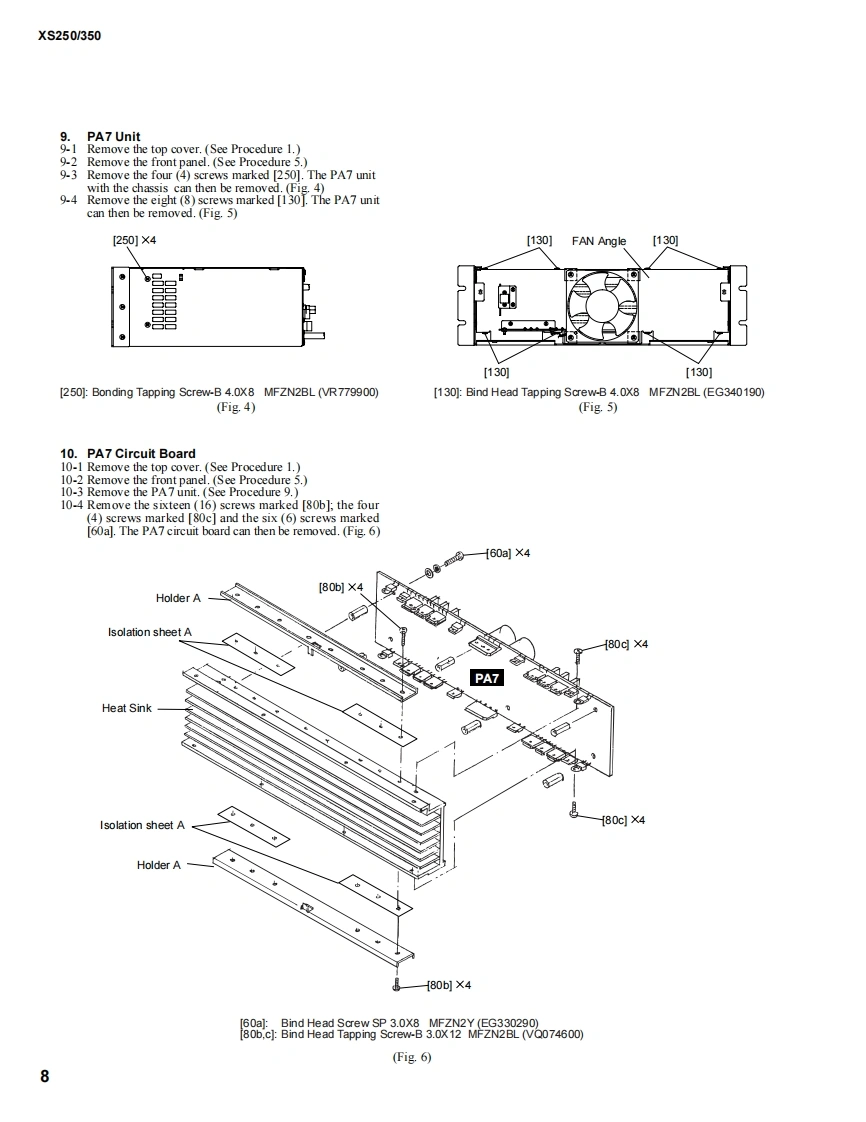
第7页 / 共27页

第8页 / 共27页

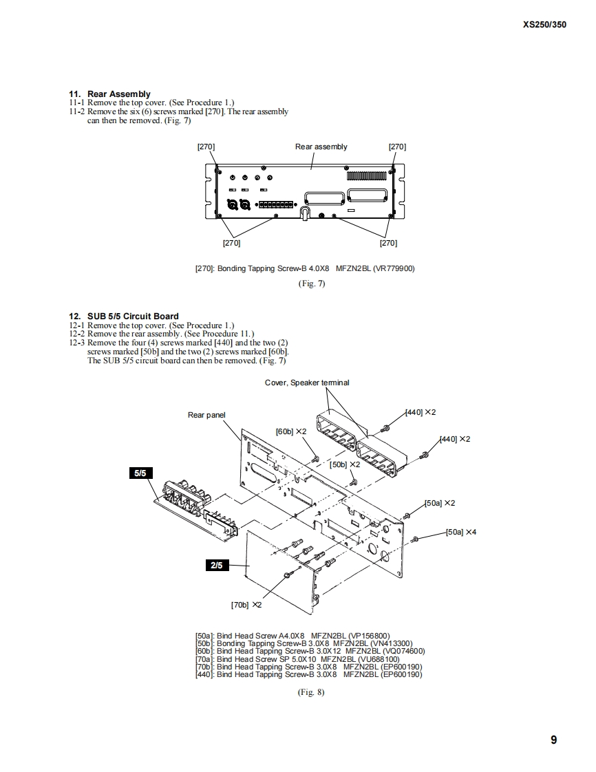
第9页 / 共27页

第10页 / 共27页
试读已结束,还剩17页,您可下载完整版后进行离线阅读
THE END
POWER AMPLIFIERXS250/350SERVICE MANUALYAMARA250出念M350■CONTENTSSPECIFICATIONSPANEL LAYOUT4BLOCK DIAGRAMCIRCUIT BOARD LAYOUT&WIRING..556DISASSEMBLY PROCEDURE.7.IC BLOCK DIAGRAM10INSPECTIONS.13PARTS LISTYAMAHAPA011440HAMAMATSU.JAPAN1.69K-545Printed in Japan '99.1
请登录后查看评论内容