

第1页 / 共61页

第2页 / 共61页

第3页 / 共61页

第4页 / 共61页

第5页 / 共61页

第6页 / 共61页

第7页 / 共61页

第8页 / 共61页

第9页 / 共61页

第10页 / 共61页
试读已结束,还剩51页,您可下载完整版后进行离线阅读
THE END
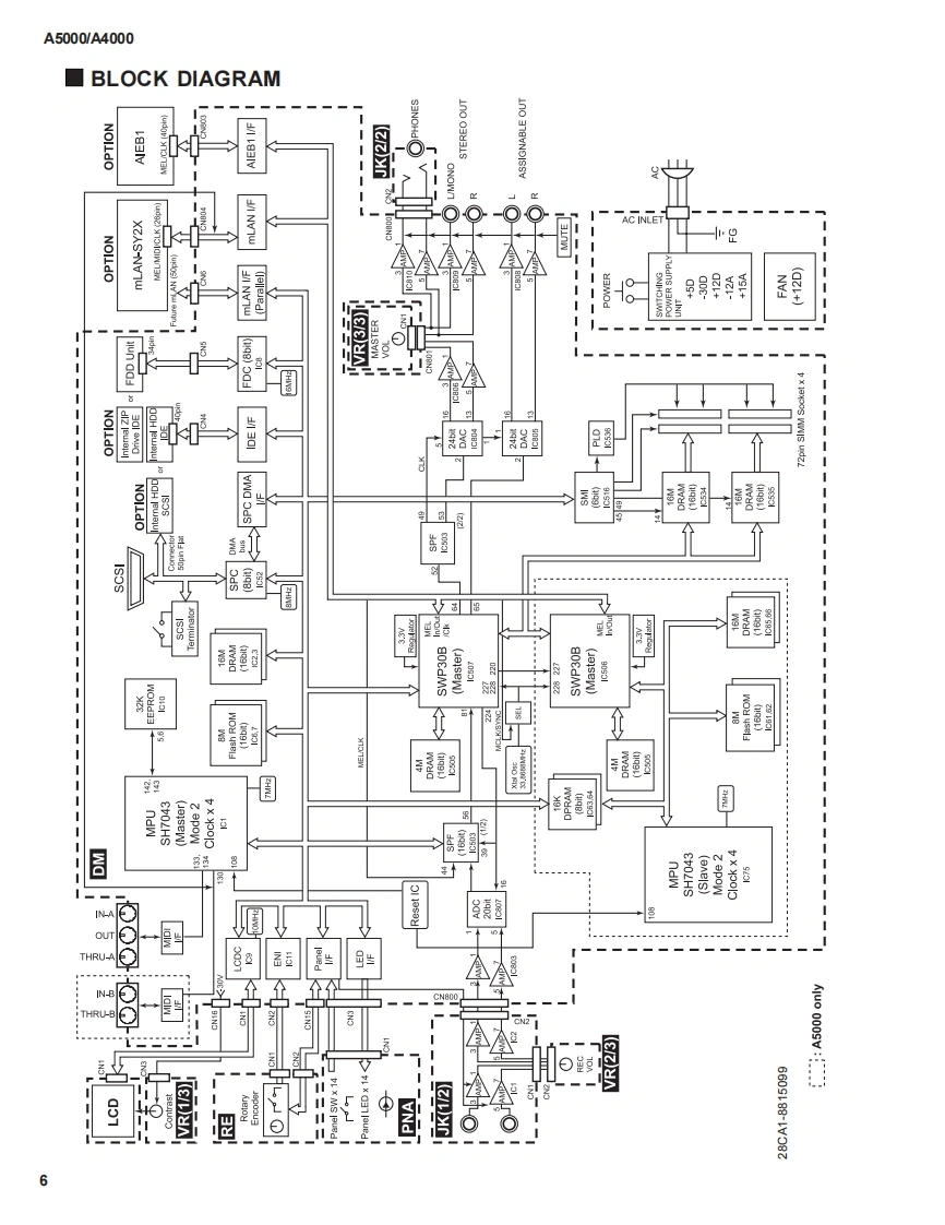
PROFESSIONAL SAMPLER△马▣▣▣1△+▣口口SERVICE MANUAL■CONTENTSSPECIFICATIONS.3PANEL LAYOUT.4CIRCUIT BOARDLAYOUT5BLOCKDIAGRAM.6DISASSEMBLY PROCEDURE.7LSIPIN DESCRIPTION10IC BLOCK DIAGRAM..............16TEST PROGRAM.........19ERROR MASSAGE3MIDI DATA FORMAT..........32MIDI IMPLEMENTATION CHART.43PARTS LISTOVERALL CIRCUIT DIAGRAMCIRCUIT BOARDS米YAMAHASY011491HAMAMATSU.JAPANA500019991210-229000A400019991210-1490001.57K-859(1 Printed in Japan2000.01
请登录后查看评论内容