

第1页 / 共11页

第2页 / 共11页

第3页 / 共11页

第4页 / 共11页

第5页 / 共11页

第6页 / 共11页

第7页 / 共11页

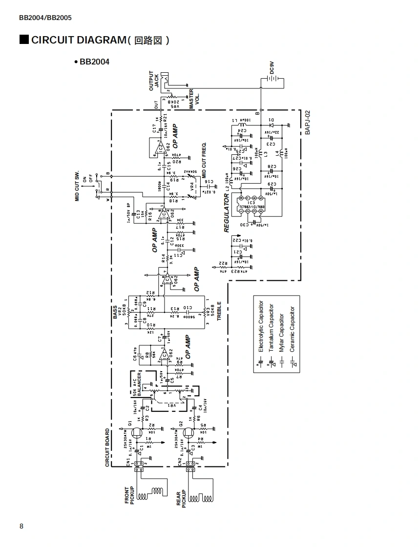
第8页 / 共11页

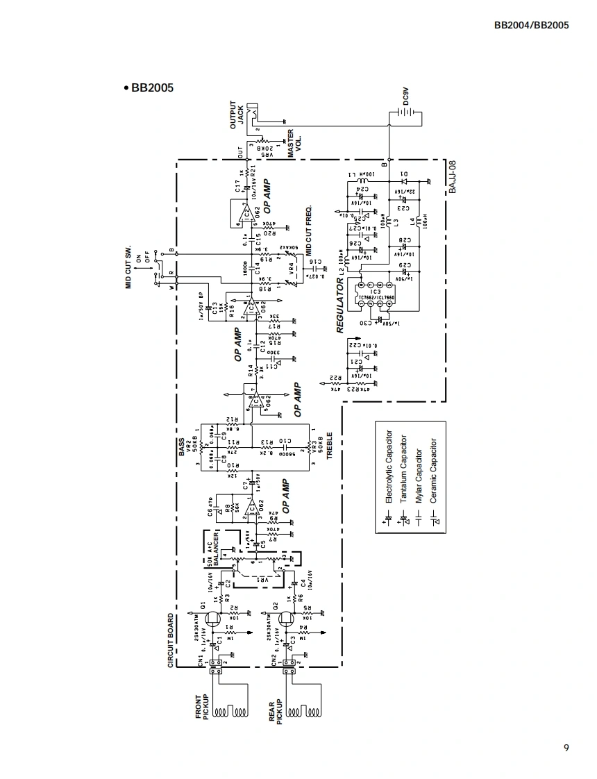
第9页 / 共11页

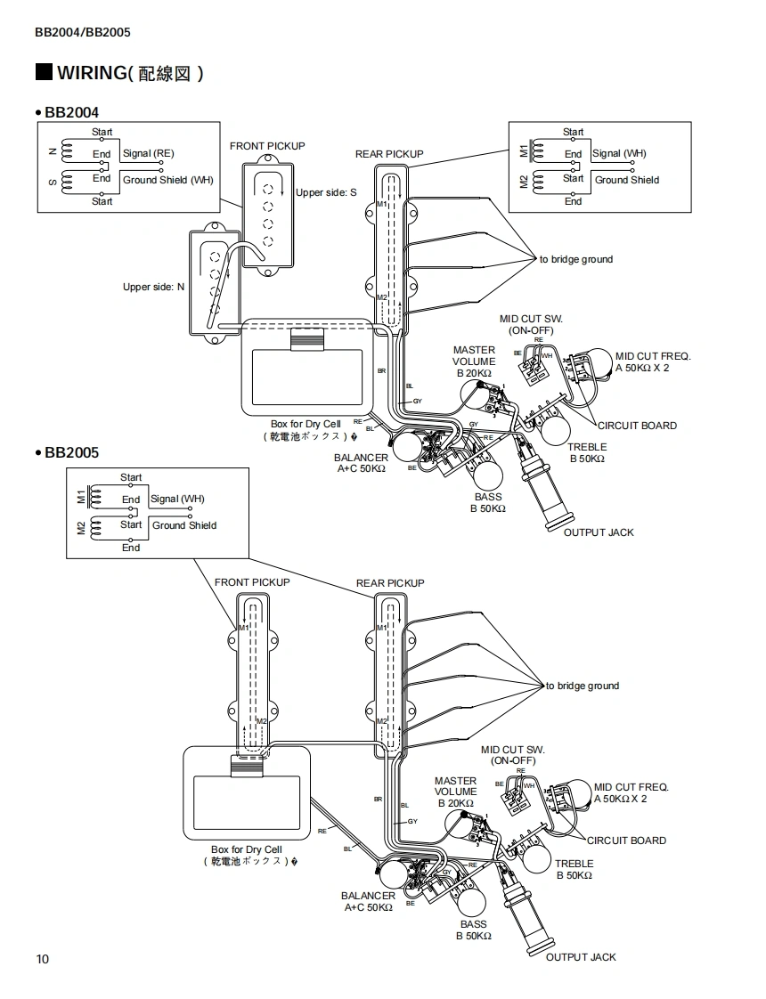
第10页 / 共11页
试读已结束,还剩1页,您可下载完整版后进行离线阅读
THE END
ELECTRIC BASSBB2004/BB2005SERVICE MANUALWARNING CHEMICAL CONTENT NOTICE!The solderused in the production of this product contains LEAD.In addition,otherelectrical/electronic and/or plastic (Where applicable)components may also containtraces of chemicals found by the Califomia Health and Welfare Agency (and possiblyother entities)to cause cancer and/or birth defects or other reproductive hamm.DO NOT PLACE SOLDER,ELECTRICAL/ELECTRONIC OR PLASTIC COMPO-NENTS IN YOUR MOUTH FOR ANY REASONWHAT SO EVER!Avoid prolonged,unprotected contact between solder and your skin!When soldering.do not inhale solder fumes or expose eyes to solder/flux vapor!f you come in contact with solder or components located inside the enclosure of thisproduct,wash your hands before handling food.BB2004BB2005(WH)(NS)■CONTENTS(目次)OVERALL ASSEMBLY(然組立2ELECTRICAL PARTS(電気部品6CIRCUIT BOARD(>一卜基板☒7CIRCUIT DIAGRAM(回路☒)..8VIRING(配線☒)10SPECIFICATIONS(総合仕樣)11EG011649YAMAHAHAMAMATSU.JAPANCopyright (c)Yamaha Corporation.All rights reserved.PDF-K931 IT:'02.09
请登录后查看评论内容