雅马哈Yamaha_BB_NE2_Bass_Service_Manual维修手册含电器原理图

雅马哈Yamaha_BB_NE2_Bass_Service_Manual维修手册含电器原理图-找手册网
雅马哈Yamaha_BB_NE2_Bass_Service_Manual维修手册含电器原理图
此内容为付费资源,请付费后查看
1921
付费资源

第1页 / 共8页

第2页 / 共8页

第3页 / 共8页

第4页 / 共8页

第5页 / 共8页

第6页 / 共8页

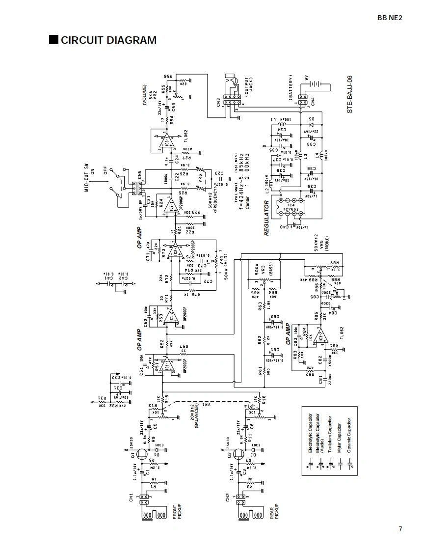
第7页 / 共8页

第8页 / 共8页
已完成全部阅读,共8
THE END
ELECTRIC BASSBB NE2SERVICE MANUALWARNING CHEMICAL CONTENT NOTICEThe solder used in the production of this product contains LEAD.In addition,other electricalelectronic and/or plastic (Where applicable)components may also contain traces of chemicalsfound by the Califomnia He alth and Welfare Agency (and possibly other entifies)to cause cancerand/or birth defects or other reproductive harmAvoid prolonged,unprotected contact between solder and your skin!When soldering,do notinhale solder fumes or expose eyes to solder/fux vapor!If you come in contact with solder or components located inside the enclosure of this product,wash your hands before handling food.■CONTENTSOVERALL ASSEMBLY2ELECTRICAL PARTS.4CIRCUIT BOARD6CIRCUIT DIAGRAM05005000005000000507WIRINGThis document is prnted on chlorhe fee (ECF)paper with soy ink.SPECIFICATIONS.8YAMAHAEG011597HAMAMATSU,JAPAN20011101-2800001.018K-661 N;Printed in Japan '01.10
喜欢就支持一下吧
评论 抢沙发

请登录后发表评论

    请登录后查看评论内容