

第1页 / 共42页

第2页 / 共42页

第3页 / 共42页

第4页 / 共42页

第5页 / 共42页

第6页 / 共42页

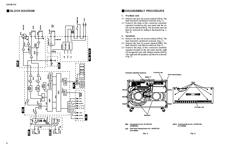
第7页 / 共42页

第8页 / 共42页

第9页 / 共42页

第10页 / 共42页
试读已结束,还剩32页,您可下载完整版后进行离线阅读
THE END
GUITAR PRE-AMPLIFIERD6100-22SERVICE MANUAL零YAMAHA■CONTENTSSPECIFICATIONS3PANEL LAYOUT....................................................4CIRCUIT BOARD LAYOUT…BLOCK DIAGRAM..........................................................DISASSEMBLY PROCEDURE...........................................LSI PIN DESCRIPTION…9IC BLOCK DIAGRAM…12CIRCUIT BOARDS....................................14…TEST PROGRAM.......................18.ERROR MESSAGES…21.MIDI IMPLEMENTATION CHART....................22PARTS LISTOVERALL CIRCUIT DIAGRAMGA011400米YAMAHA19980301-198000HAMAMATSU.JAPAN2.1K-656 Printed in Japan 98.03
请登录后查看评论内容