

第1页 / 共34页

第2页 / 共34页

第3页 / 共34页

第4页 / 共34页

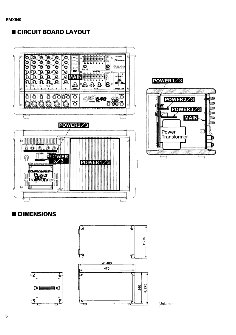
第5页 / 共34页

第6页 / 共34页

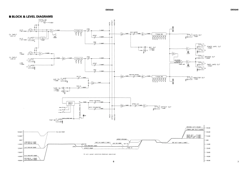
第7页 / 共34页

第8页 / 共34页

第9页 / 共34页

第10页 / 共34页
试读已结束,还剩24页,您可下载完整版后进行离线阅读
THE END
POWERED MIXEREM649SERVICE MANUAL65|/6168866/6■CONTENTSSPECIFICATIONS2PANEL LAYOUT .......CIRCUIT BOARD LAYOUT.................5DIMENSIONS.....5BLOCK LEVEL DIAGRAMS6DISASSEMBLY PROCEDURE-8LSI PIN DESCRIPTION ........IC BLOCK DIAGRAM.10-.11CIRCUIT BOARDS.….INSPECTIONS..........-.1219CIRCUIT DIAGRAMS24PARTS LISTPA011358YAMAHA CORPHAMAMATSUJAPAN1.68K-814 Printed in Jap n '96.12
请登录后查看评论内容