雅马哈Yamaha_G100-212_series_ISERVICE-MANUAL维修手册电器原理图

雅马哈Yamaha_G100-212_series_ISERVICE-MANUAL维修手册电器原理图-找手册网
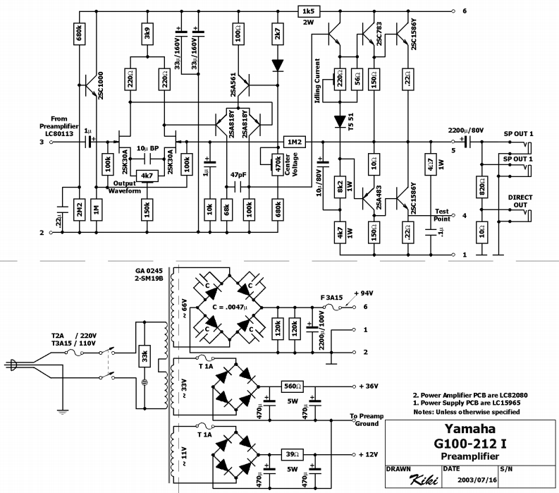
雅马哈Yamaha_G100-212_series_ISERVICE-MANUAL维修手册电器原理图
此内容为付费资源,请付费后查看
1921
付费资源

第1页 / 共2页

第2页 / 共2页
已完成全部阅读,共2
THE END
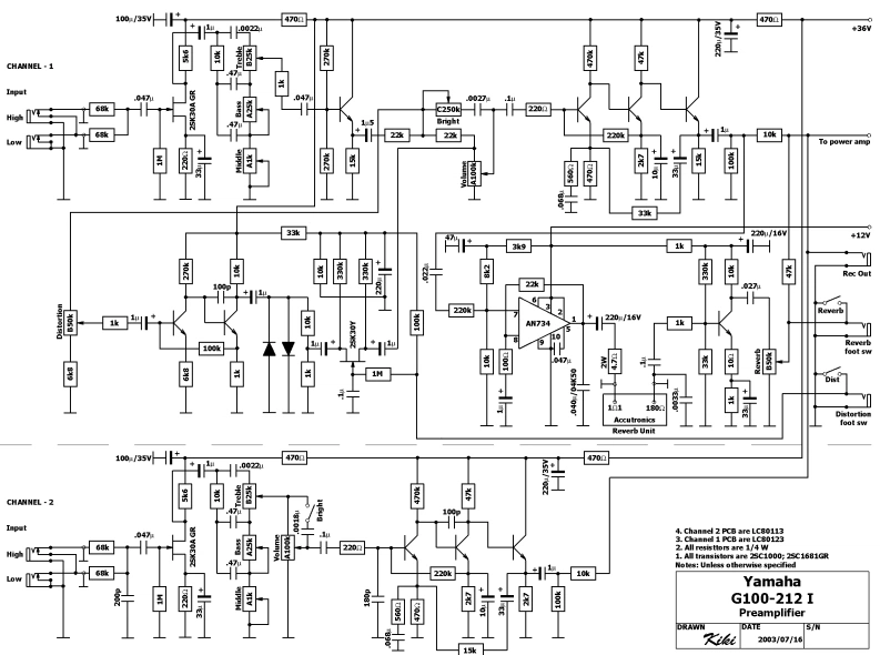
1o0/35vH470▣470◆36yCHANNEL1250k✉2溢2010kTo power amp33张220u/16+12W391k自自27220kReverbAN734t220/16v1k100自阊047自自foot swoot swReverb Uni桶470n470nCHANNEL-2自自047a4.Chanael 2 PCB are LC801133.Chamnel 1 PCB are LC801236味之ll resist和sre1/4W1.Al transistors ane 25C1000:25C1681GR220kYamahaG100-212IPreamplifierAWN■DATESIN2001/07/16
喜欢就支持一下吧
评论 抢沙发

请登录后发表评论

    请登录后查看评论内容