

第1页 / 共118页

第2页 / 共118页

第3页 / 共118页

第4页 / 共118页

第5页 / 共118页

第6页 / 共118页

第7页 / 共118页

第8页 / 共118页

第9页 / 共118页

第10页 / 共118页
试读已结束,还剩108页,您可下载完整版后进行离线阅读
THE END
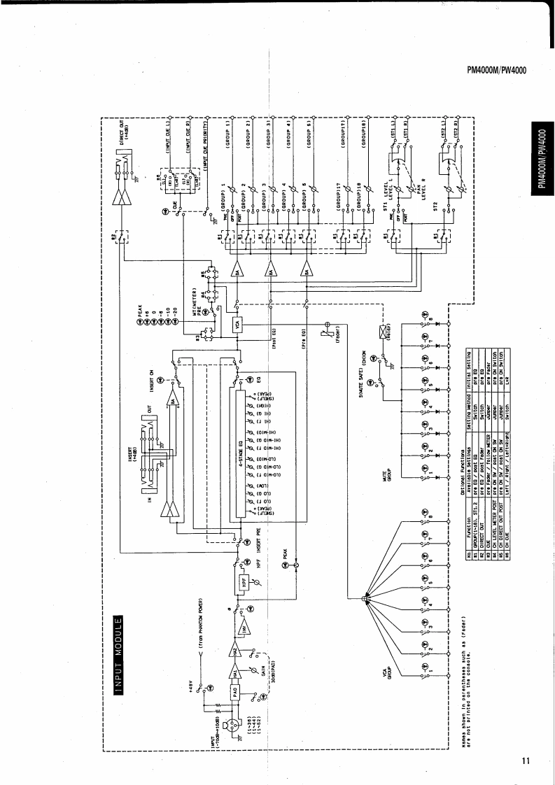
PROFESSIONAL AUDIOMIXING CONSOLEPM4000MPOWER SUPPLY for PM4000M SeriesPW4000200W01O00dSERVICE MANUALPM4000M-52=PW4000■CONTENTS(目次)SPECIFICATIONS(栽合仕楼)…2CHANGING THE FUNCTIONS WITH INTERNALBLOCK AND LEVEL DIAGRAMSWITCHES(内部切替又亻y于、岁女/一粮交更)43/55(口y夕&心几岁了岁与)…6IC BLOCK DIAGRAM(ICブ口y夕☒)……60PM4OO0 M PANEL LAYOUT(PM4000M*儿Fヴ卜>·8PM4000 M INSPECTIONS(PM4000M検查)…64/80PW4000 PANEL LAYOUT(PW4000t礻L了7k)…23PM4000 M ADJUSTMENTS(PM4000MD鉴)…74/89PM4O00 M DIMENSIONS(PM4000M寸法☒)…24PW4000 INSPECTIONS AND ADJUSTMENTSPW4000 DIMENSIONS(Pw4000寸法☒)…25(FW4000换查上明整)……78/93CIRCUIT BOARD WIRING(蒸板轴粮回)…26CIRCUIT BOARDS AND CIRCUIT DIAGRAMREMOVING AND INSTALLING A MODULE(之一卜基板网上回路图)……95(毛岁3一儿取)外L北取月付分)…42/54PARTS LISTPA011182YAMAHA CORP.19930501-7500000-369930501-9500000-52HAMAMATSU.JAPAN19930501-8500000-440.619-5983 e Printed in Japan '93.08
请登录后查看评论内容