

第1页 / 共20页

第2页 / 共20页

第3页 / 共20页

第4页 / 共20页

第5页 / 共20页

第6页 / 共20页

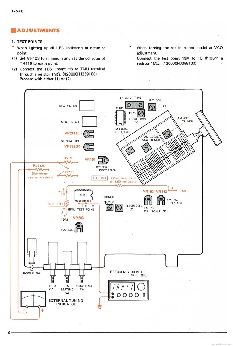
第7页 / 共20页

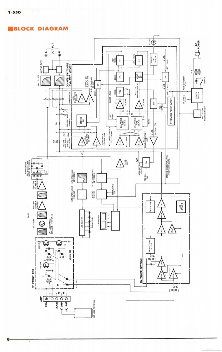
第8页 / 共20页

第9页 / 共20页

第10页 / 共20页
试读已结束,还剩10页,您可下载完整版后进行离线阅读
THE END
T-火0SERVICE MANUAL■FRONT PANEL4YAMAHANATURAL SOLNO AM FM BTRPEO TUNER T-550 OC-NFB PLL MPXe甲eg”里242里7里2929219EP94足1里她ME国EGMAL QUALTY5789OAM DIAL SCALEREC CAL SWITCHFM DIAL SCALEFM MUTING SWITCHTUNING INDICATOR⑧FUNCTION SWITCHOTUNING KNOBOFM STEREO INDICATORPOWER SWITCHDSIGNAL QUALITY INDICATORREAR PANEL (GENERAL MODEL)235YAMAHA0.UUAM LOOP ANTENNAOOUT PUT JACKSFM ANTENNA TERMINAL (75 UNBAL)VOLTAGE SELECTORFM ANTENNA TERMINAL (300 BAL)米YAMAHA004387Printed in Japan5.79同②2.3K
请登录后查看评论内容