

第1页 / 共11页

第2页 / 共11页

第3页 / 共11页

第4页 / 共11页

第5页 / 共11页

第6页 / 共11页

第7页 / 共11页

第8页 / 共11页

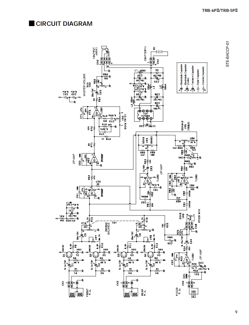
第9页 / 共11页

第10页 / 共11页
试读已结束,还剩1页,您可下载完整版后进行离线阅读
THE END
ELECTRIC BASSTRB-6PI/TRB-5PIISERVICE MANUALTRB-6PΠTRB-5PII■CONTENTSOVERALL ASSEMBLY2ELECTRICAL PARTS6CIRCUIT BOARD8CIRCUIT DIAGRAMWIRING10This documentis prnted on chlorhe fee (ECF)paper with soy inkSPECIFICATIONS10EG011512YAMAHAHAMAMATSU,JAPAN0.79K-792Printed in Japan'00.04
请登录后查看评论内容