雅马哈Yamaha_VX65DSERVICE-MANUAL维修手册电器原理图

雅马哈Yamaha_VX65DSERVICE-MANUAL维修手册电器原理图-找手册网
雅马哈Yamaha_VX65DSERVICE-MANUAL维修手册电器原理图
此内容为付费资源,请付费后查看
1921
付费资源

第1页 / 共13页

第2页 / 共13页

第3页 / 共13页

第4页 / 共13页

第5页 / 共13页

第6页 / 共13页

第7页 / 共13页

第8页 / 共13页

第9页 / 共13页

第10页 / 共13页
试读已结束,还剩3页,您可下载完整版后进行离线阅读
THE END
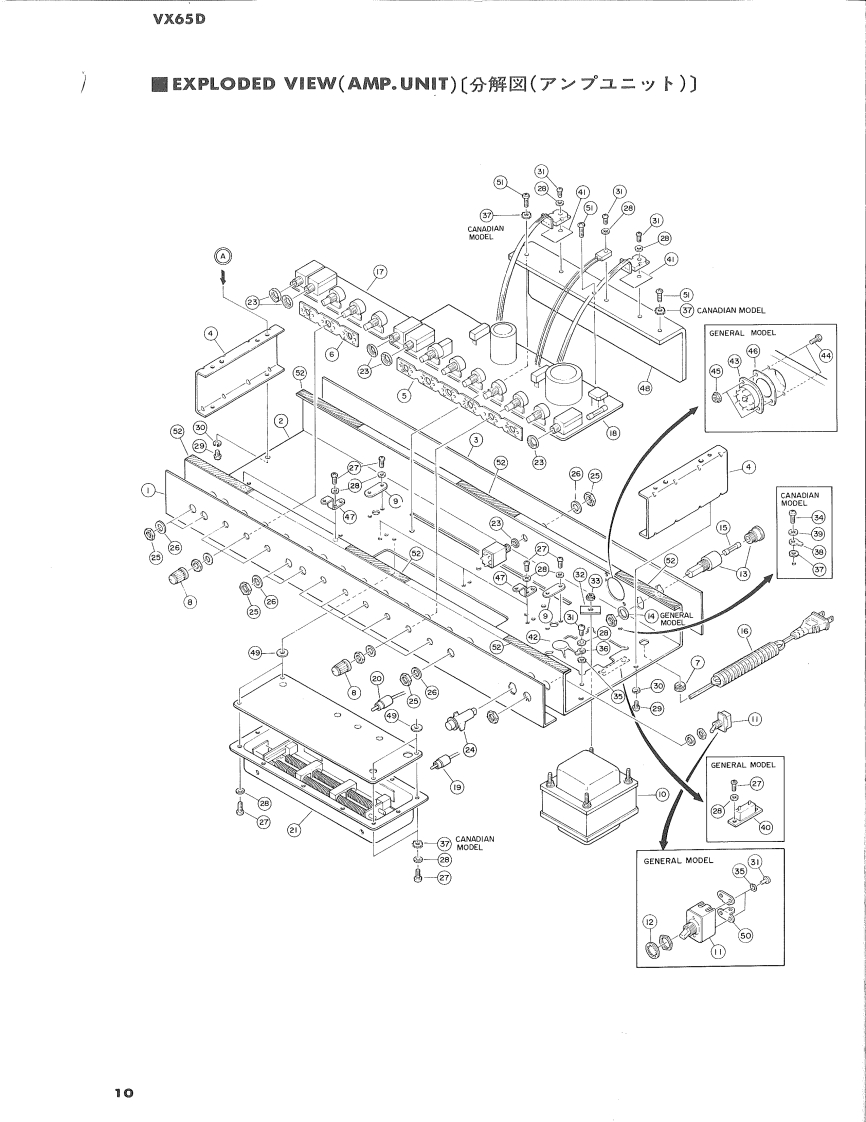
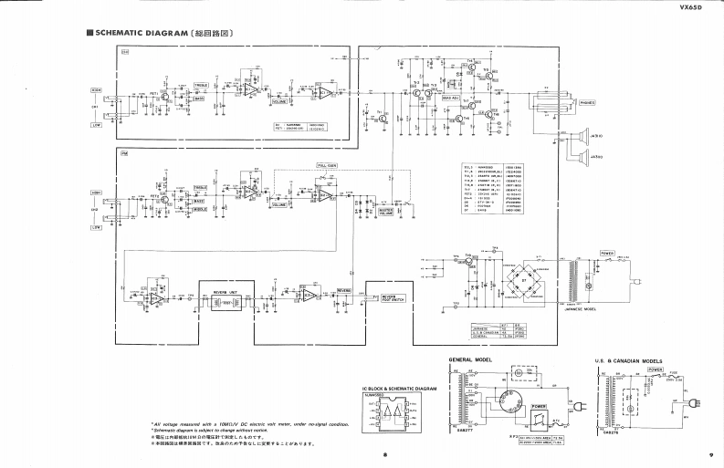
GUITAR AMPLIFIERVX65DSERVICE MANUAL圈FRONT PANEL(フ口卜,S木)以酷后5D@@圆CONTENTS(目次)SPECIFICATIONS〔稀合仕横)。··,·,·····2PARTS LIST (AMP.UNIT)................11/12GENERAL ADJUSTMENT(整).······3〔,-y刂又卜(了ブユ二y卜)〕CHECK SPECIFICATIONS〔换查仕梯)..·,···.3~5EXPLODED VIEW(CABINET)..............13PRINTED CIRCUIT BOARD (Parts side)........6/7〔分解☒(外装部))〔之一卜☒(部品面门PARTS LIST(CABINET).·...·.·......13BL0 CK DIAGRAM〔ブaッ夕夕亻T夕ラ△)...·7〔パ一以刂又卜(外装部))SCHEMATIC DIAGRAM〔裕回路☒).,.,···8/9PARTS LIST(ELECTRICITY),·.,···,····14EXPLODED VIEW (AMP.UNIT).............10〔バ一以刂又卜(電气部)〕VX65D〔分解☒(了>ブ3二y卜))SINCE 1887YAMAHA006579NIPPON GAKKI CO.,LTD.HAMAMATSU,JAPAN2.6K-641▣©Printed in Japan83.11
喜欢就支持一下吧
评论 抢沙发

请登录后发表评论

    请登录后查看评论内容