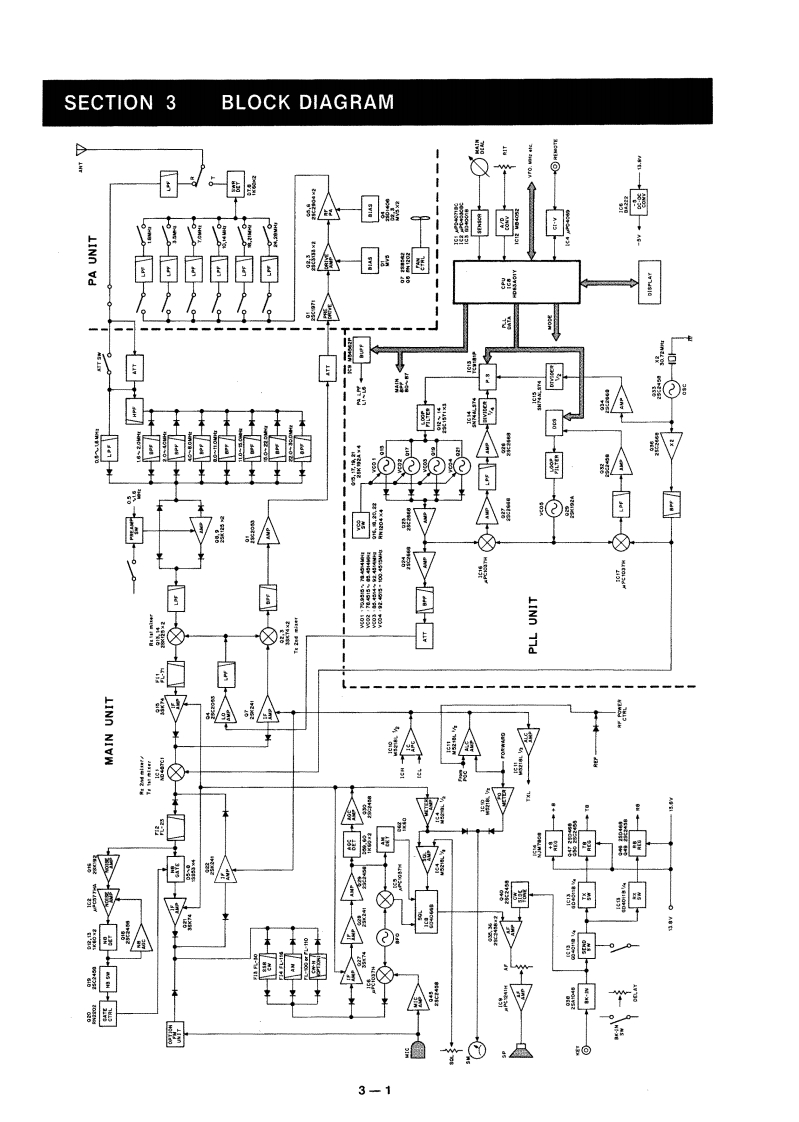
IC-725_维修电器原理图手册找手册网22天前发布关注私信12.47MB66页042IC-725_维修电器原理图手册此内容为付费资源,请付费后查看¥19¥21黄金会员免费钻石会员免费登录购买付费资源 第1页 / 共66页 第2页 / 共66页 第3页 / 共66页 第4页 / 共66页 第5页 / 共66页 第6页 / 共66页 第7页 / 共66页 第8页 / 共66页 第9页 / 共66页 第10页 / 共66页 试读已结束,还剩56页,您可下载完整版后进行离线阅读 THE END艾可慕 文本预览 @cOMSERVICEMANUALHF ALL BAND TRANSCEIVER1C-725Icom Inc. 查看更多 收起部分 喜欢就支持一下吧收藏
请登录后查看评论内容