

第1页 / 共30页

第2页 / 共30页

第3页 / 共30页

第4页 / 共30页

第5页 / 共30页

第6页 / 共30页

第7页 / 共30页

第8页 / 共30页

第9页 / 共30页

第10页 / 共30页
试读已结束,还剩20页,您可下载完整版后进行离线阅读
THE END
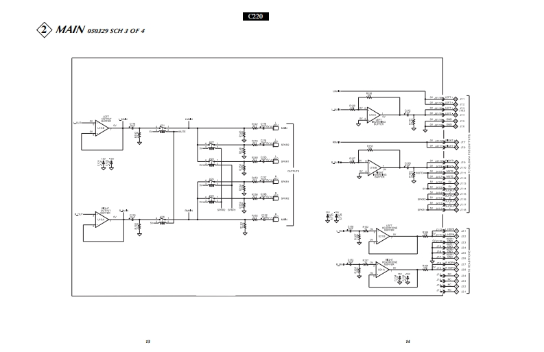
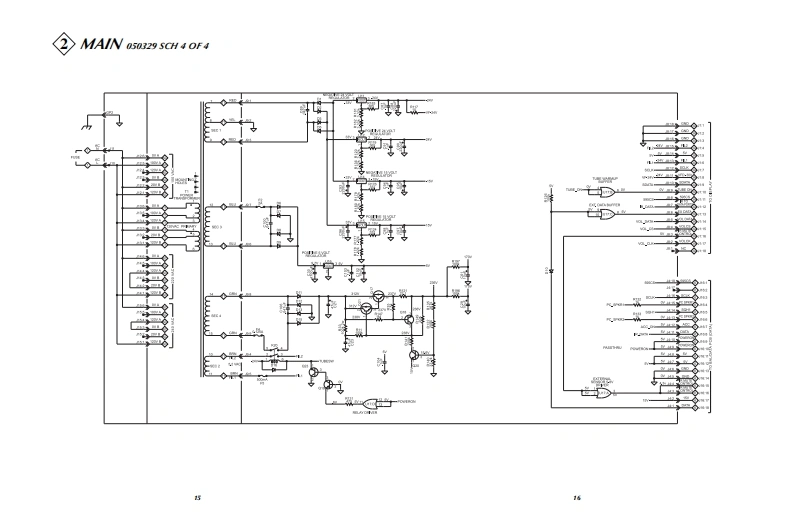
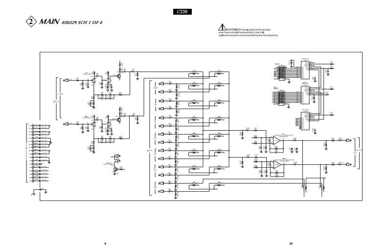
C220TUBE PREAMPLIFIERSERIAL NO.WS1001 And AboveTREBLEMclntoshOLUMEC220 TUBE PREAMPLIFIERPHONOTONE BYPASSREC MONITORSTANDBY /ON回RELIMENCONTENTSPerformance2Display Schematic and PCB19-24Notes.....2Balanced/Data Sch and PCB.......25-30Rear Panel......44444444444444444444444444444444444444444444Pushbutton Sch and PCB...31-32Section Location3Headphone Sch and PCB..33-34Block Diagram .....44445-6Parts List37-43Interconnection Diagram-8Repacking Instructions....45Main Schematic and PCB..9-18SERVICE MANUALSerial Number WS1001 And Above
请登录后查看评论内容