

第1页 / 共58页

第2页 / 共58页

第3页 / 共58页

第4页 / 共58页

第5页 / 共58页

第6页 / 共58页

第7页 / 共58页

第8页 / 共58页

第9页 / 共58页

第10页 / 共58页
试读已结束,还剩48页,您可下载完整版后进行离线阅读
THE END
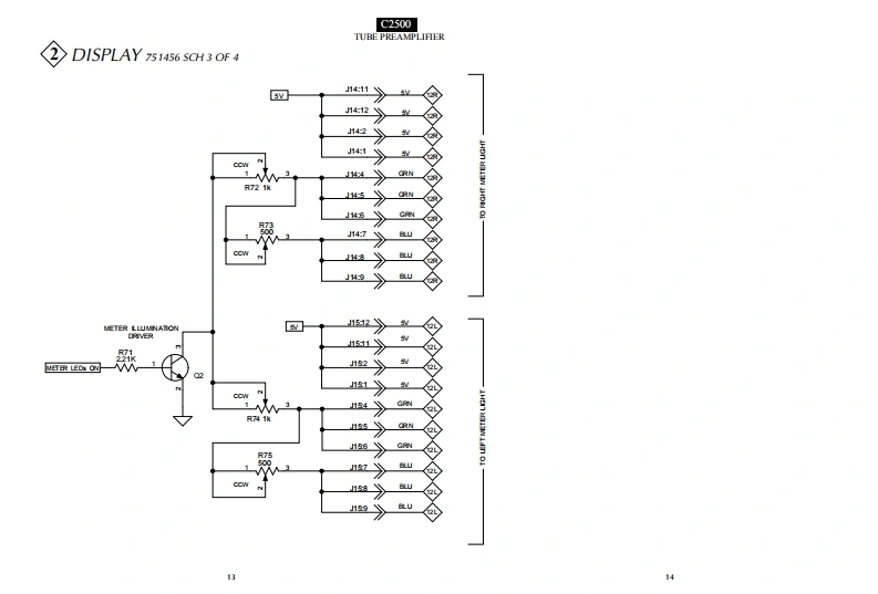
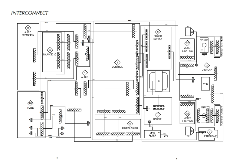
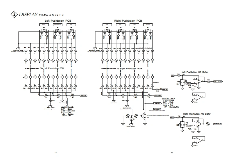
C2500TUBE PREAMPLIFIERSERIAL NO.ADF1001 And AboveMclnfosh00-30-100OUTPUT LEVEL IN doC2500 TUBE PREAMPLIFIERSource:Phono MC282CONTENTSPerfoec ificati2Balanced 1/O Schematic and PCB..................43-46Notes.….3Digital Audio Schematic and PCB.......................47.54Pan…4Backup PS Schematic and PCB.……55-58on Loc.4Power Schematic and PCB.…59.62lock Diagram56Tube Schematic and PCB...........………63.70connection Diagram...........-8Audio Expansion Schematic and PCB................7.1-74DSchematic and PCB.……….918Meter Light Schematic and PCB.........75.76Coprol Schematic and PCB...19-30Parts List7-92Audio Schematic and PCB............31-42Repacking Instruction.93SERVICE MANUAL
请登录后查看评论内容