

第1页 / 共28页

第2页 / 共28页

第3页 / 共28页

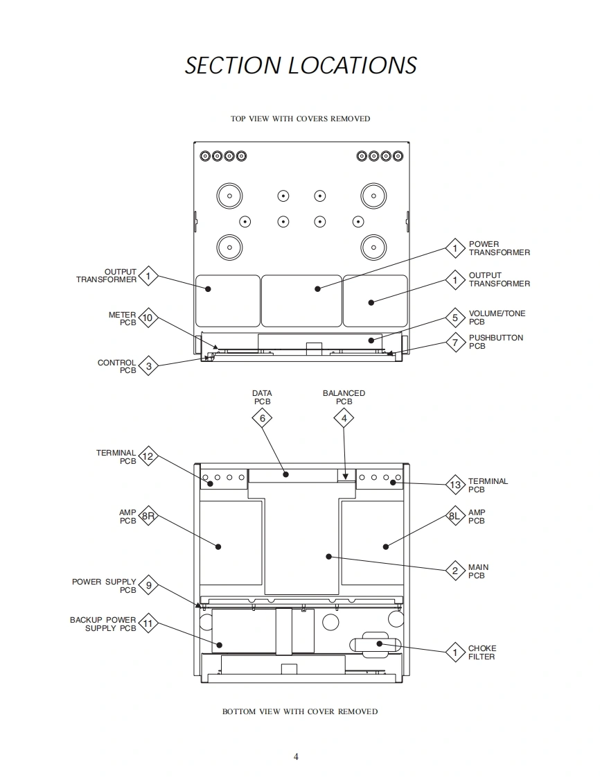
第4页 / 共28页

第5页 / 共28页

第6页 / 共28页

第7页 / 共28页

第8页 / 共28页

第9页 / 共28页

第10页 / 共28页
试读已结束,还剩18页,您可下载完整版后进行离线阅读
THE END
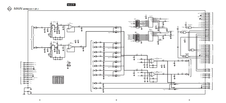
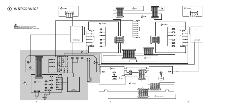
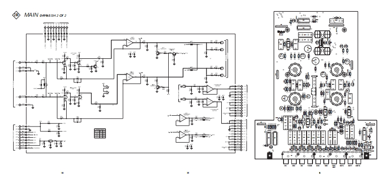
MA2275TUBEINTEGRATED AMPLIFIER007507577575Mclnfosh-40-30-20-1M3250057577575403020-10INTEGRATED AMPLIFIERPOWER OUTPUTPOWER UTPUTINPUT SELECTORLWCD oTECDAPECONTENTSPerformance Specifications.........2Data Schematic and PCB.27.28Notes ...................................Pushbutton Schematic and PCB29.30Rear panelAmplifier Schematic and PCB.......31.34Section Location4Power Supply Schematic and PCB35.38Block Diagram5.7Meter Schematic and PCB39.40Interconnection Diagram ...810Backup PS Schematic and PCB,Main Schematic and PCB....11,16Terminal Schematic and PCB...................................42Control Schematic and PCB......................17-20Parts List.43.48Balanced Schematic and PCB21·22Exploded View and Parts List......49.52Volume/Tone Schematic and PCB.....................23-26Repacking Instructions.......................53SERVICE MANUAL
请登录后查看评论内容