MCINTOSH-MAC4100_service-manual维修手册_b

MCINTOSH-MAC4100_service-manual维修手册_b-找手册网
MCINTOSH-MAC4100_service-manual维修手册_b
此内容为付费资源,请付费后查看
1921
立即购买
您当前未登录!建议登陆后购买,可保存购买订单
付费资源

第1页 / 共6页

第2页 / 共6页

第3页 / 共6页

第4页 / 共6页

第5页 / 共6页

第6页 / 共6页
已完成全部阅读,共6
THE END
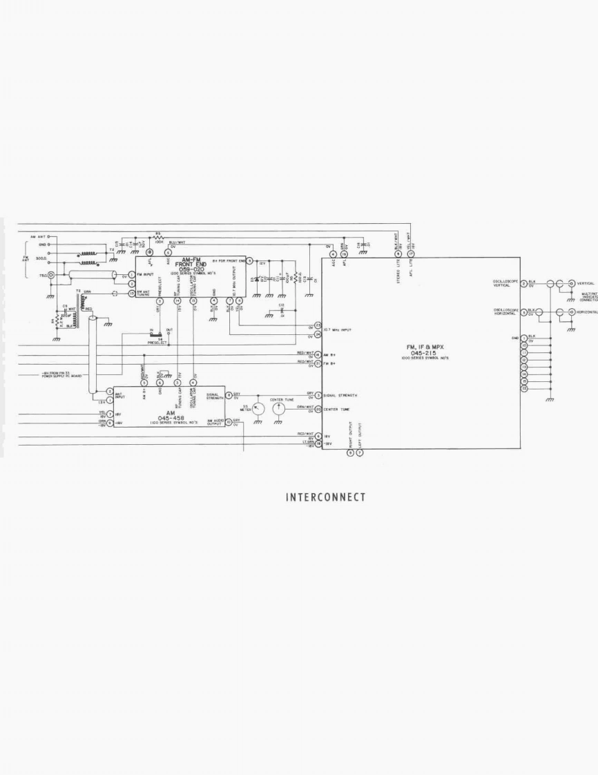
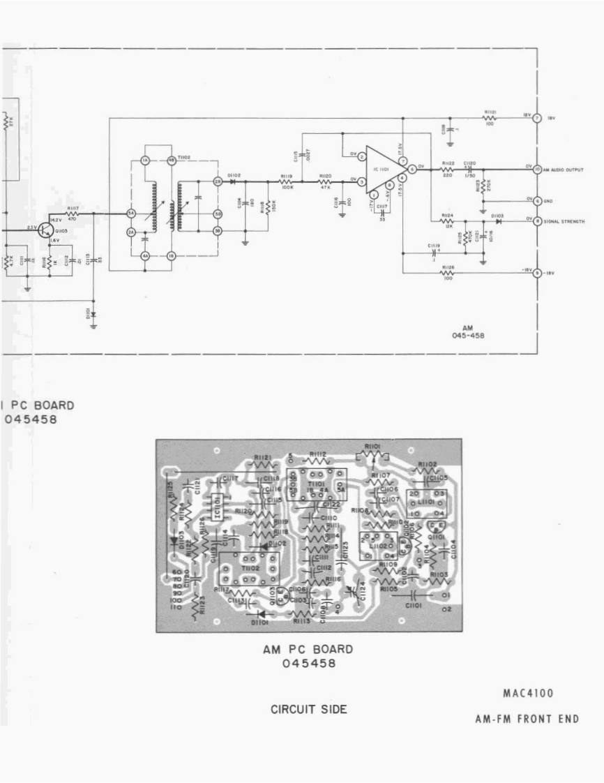
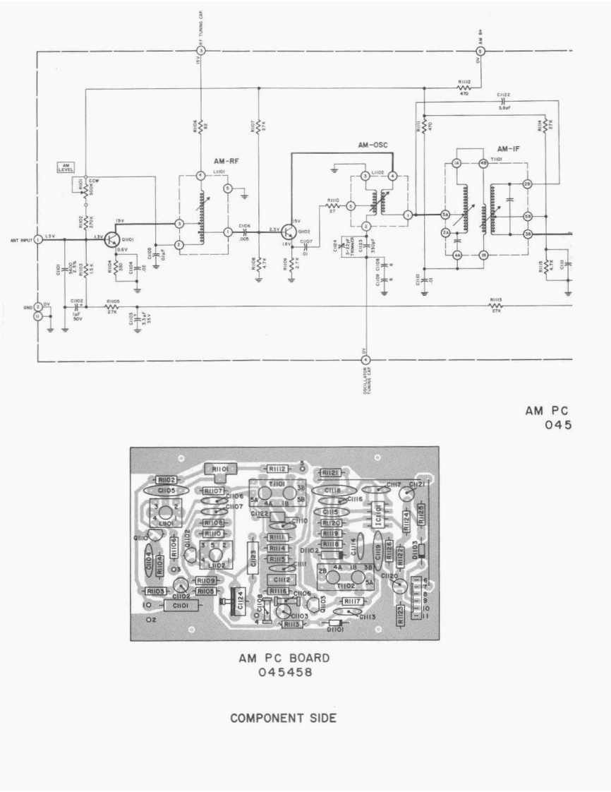
MlntoshΛAC41OOAM/FM RECEIVERSER/ICE INF▣RMATIONSERIAL NO.BY3001 AND ABOVEADDENDUM:STARTING WITH SERIAL #BY 3001 ANDABOVE,PLEASE REFER TO AM-FM FRONTEND P.C.BOARD ASSEMBLY #059020,AM P.C.BOARD #045458 AND THE INTER CONNECTDIAGRAM;ALL OF WHICH ARE LOCATED INTHIS FOLD OUT.IN McINTOSH MAC 4100 SERIAL #BY 1001 TOBY 2990,REFER TO SERVICE MANUALMcINTOSH LABORATORY INC.BINGHAMTON,NEW YORK 13903039204
喜欢就支持一下吧
评论 抢沙发

请登录后发表评论

    请登录后查看评论内容