

第1页 / 共28页

第2页 / 共28页

第3页 / 共28页

第4页 / 共28页

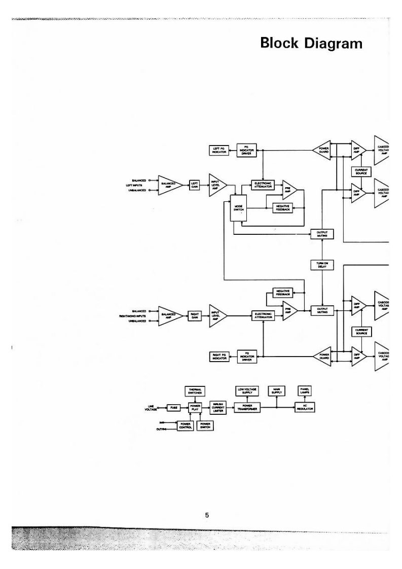
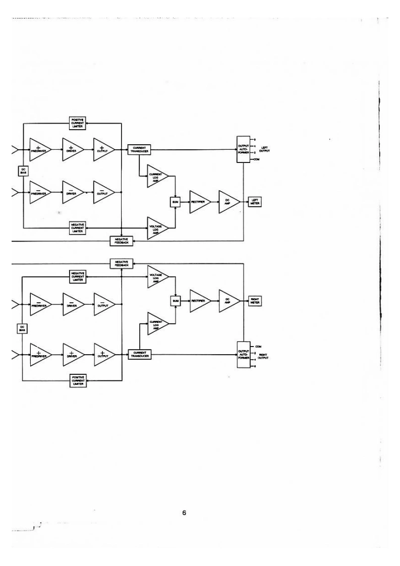
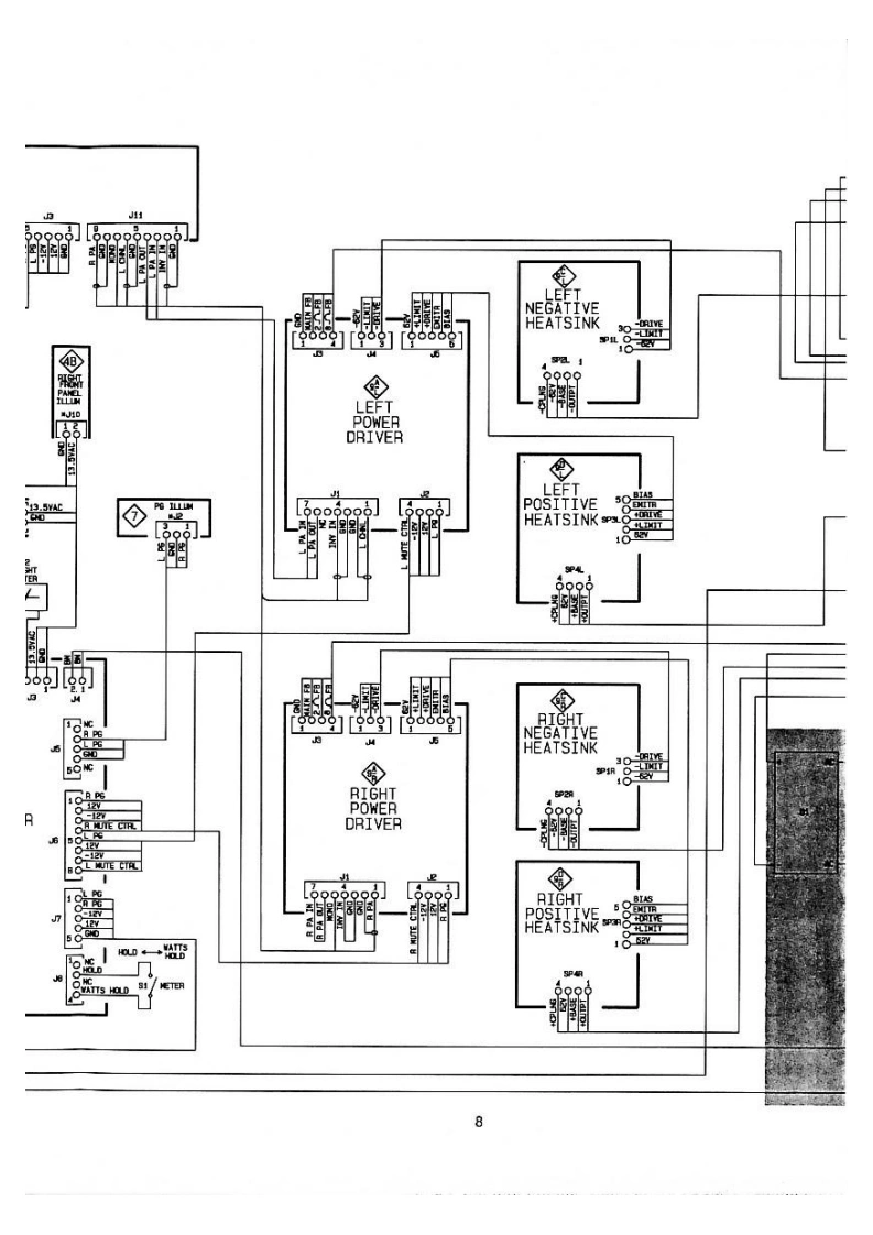
第5页 / 共28页

第6页 / 共28页

第7页 / 共28页

第8页 / 共28页

第9页 / 共28页

第10页 / 共28页
试读已结束,还剩18页,您可下载完整版后进行离线阅读
THE END
MC150POWER AMPLIFIER字兰NTE月MeinloshPOWERMC150 POWER AMPLIFIERCONTENTSPerformance Specifications2Right Front Panel lllumination13Rear PanelLeft Meter lluminationFront Panel Trim Parts List33Right Meter IlluminationNotesPower Guard IlluminationSection Locations4Meter/RegulatorBlock Diagram5-AmplifierInterconnection Diagram7-10Relay211-12Repacking Instructions27Left Front Panel Illumination13mtlnfoskService ManualMcintosh Laboratory.Inc.2Chembers Street,Binghamton,New York 13903 Printed in U.S.A.Part No.040388
请登录后查看评论内容