MCINTOSH-MC2205_service-manual维修手册_c

MCINTOSH-MC2205_service-manual维修手册_c-找手册网
MCINTOSH-MC2205_service-manual维修手册_c
此内容为付费资源,请付费后查看
1921
立即购买
您当前未登录!建议登陆后购买,可保存购买订单
付费资源

第1页 / 共27页

第2页 / 共27页

第3页 / 共27页

第4页 / 共27页

第5页 / 共27页

第6页 / 共27页

第7页 / 共27页

第8页 / 共27页

第9页 / 共27页

第10页 / 共27页
试读已结束,还剩17页,您可下载完整版后进行离线阅读
THE END
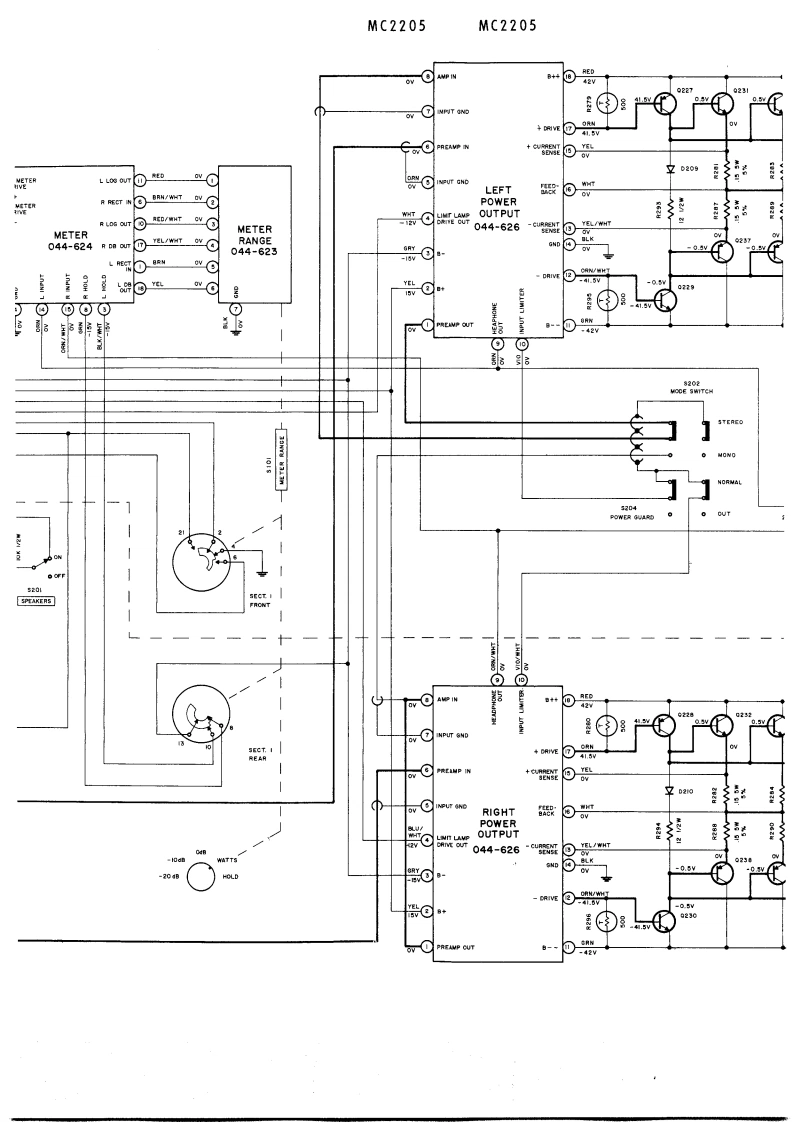
IclntoshMC 2205POWER AMPLIFIERIIkInloshMAr159■SERVICEINFORMATIONSTARTING WITH SERIAL NO.AX1001McINTOSH LABORATORY INC.BINGHAMTON,NEW YORK 13903038-980
喜欢就支持一下吧
评论 抢沙发

请登录后发表评论

    请登录后查看评论内容