MCINTOSH-MC30_service-manual维修手册

MCINTOSH-MC30_service-manual维修手册-找手册网
MCINTOSH-MC30_service-manual维修手册
此内容为付费资源,请付费后查看
1921
立即购买
您当前未登录!建议登陆后购买,可保存购买订单
付费资源

第1页 / 共2页

第2页 / 共2页
已完成全部阅读,共2
THE END
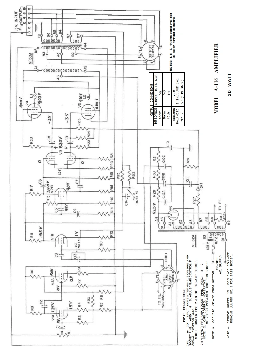
IndNI AS品000000000000000喜000o00o00060000SNOILOSNNOO Indino91I-V T30OW粉!5220000000Q000000(ONS)一
喜欢就支持一下吧
评论 抢沙发

请登录后发表评论

    请登录后查看评论内容