MCINTOSH-MC3500_service-manual维修手册_b

MCINTOSH-MC3500_service-manual维修手册_b-找手册网
MCINTOSH-MC3500_service-manual维修手册_b
此内容为付费资源,请付费后查看
1921
立即购买
您当前未登录!建议登陆后购买,可保存购买订单
付费资源

第1页 / 共2页

第2页 / 共2页
已完成全部阅读,共2
THE END
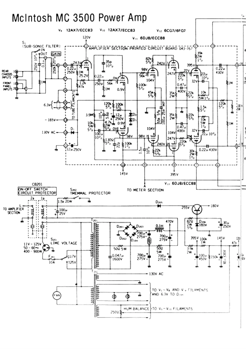
McIntosh MC 3500 Power AmpV.12AX7/ECC83Vie 12AX7/ECC83V1:6CG7/6F07120V::6DJ8/ECC88(SUB-SONIC FILTER】0INAMPLIFIER SECTION PRINTED CIRCUIT BOARD 043-767POUT GAIN24010°98v022E2CHASSISD22才247MINPUTS需223032v100IM0.952凳400y6.3器3.9M12平D35-165V250Nw4.70.9104130V AC-400V322u10910。!309247?4012u250y30022u430V395VCB201V,6DJ8/ECC88ON-OFF SWITCHEMMAL PROTECTORTO METER SECTIONCIRCUIT PROTECTOR1.5h2w180TO AMPLIF IER-100MSECTION470V820D10.1HT00D01275V501084395100411V-125VLIME VOL TAGE1内5005w400-900W35W2w.0.0474700470041600W275V2751005045010A9125yP130V ACTO Vi-V AND V.JLAMENTSANAND 6.3V TO 0:HUM BALANCETO V,-V FILAMENTS2502
喜欢就支持一下吧
评论 抢沙发

请登录后发表评论

    请登录后查看评论内容