MCINTOSH-MC50_service-manual维修手册_b

MCINTOSH-MC50_service-manual维修手册_b-找手册网
MCINTOSH-MC50_service-manual维修手册_b
此内容为付费资源,请付费后查看
1921
立即购买
您当前未登录!建议登陆后购买,可保存购买订单
付费资源

第1页 / 共1页
已完成全部阅读,共1
THE END
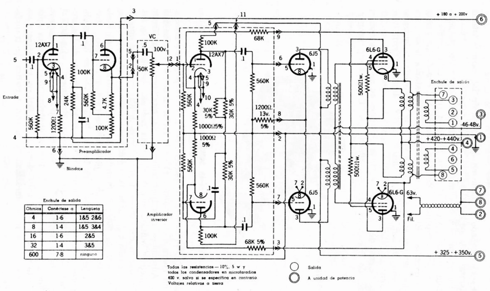
11+180a+200y68K1912AX7100K6L6-G312AX76J5100K50K54下5560KEnchule de sald107Entrada9%12002.13v.8②w份100K1000259%5%46-48w.1000y2+420-+440n5%6Preamplilicador⑥羲⑤560K656L6-G863vEnchule de salda⑧OhmiosConectese aLengueta1&52&6Amplilicador4163Fil②inversor8141&53&416162&5100K321-438568K5%w60078ninguno+325·+350M.⑤Todas las resistencias-10%.5 w ySalidatodos los condensadores en microlaradios400 v.salvo si se especitica en contrarioA unidad de potenciaVoltaies relativos a uerra
喜欢就支持一下吧
评论 抢沙发

请登录后发表评论

    请登录后查看评论内容