

第1页 / 共60页

第2页 / 共60页

第3页 / 共60页

第4页 / 共60页

第5页 / 共60页

第6页 / 共60页

第7页 / 共60页

第8页 / 共60页

第9页 / 共60页

第10页 / 共60页
试读已结束,还剩50页,您可下载完整版后进行离线阅读
THE END
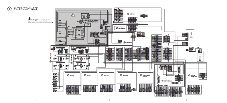
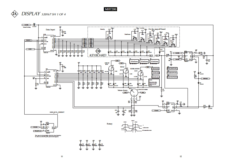
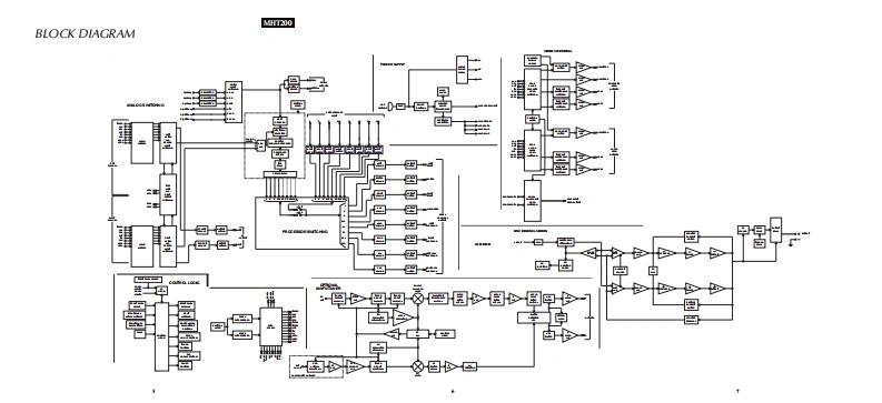
hMHT200A/V SYSTEM CONTROLLERINPUTMtlnfoshVOLUMEMHT200 A/V SYSTEM CONTROLLERua回T回回回▣▣ms回hPT%VELLMESAT2H0L36TRIM SELECTSURROUND MODEgLu日#OCFER日0回CONTENTSPerformance Specifications.....2-3Digital Schematic and PCB...........37.40Notes......3S-Video Schematic and PCB41-52Rear PanelComposite Video Schematic and PCB.........53-58Section Location4Main Audio Schematic and PCB..................59.74Block Diagram..5-7Multi Channel Schematic and PCB................75-86Interconnection Diagram8-10Amplifier Schematic and PCB.....…….89-104Display Schematic and PCB.....11-18Tuner AM/FM Alignment Procedure.............105-106Keyboard Schematic and PCB.......................13,17-18Tuner/RAA1 Schematic and PCB ...................107-110Bottom Schematic and PCB...…19-24DSP Module PCB.....Power Supply Schematic and PCB......11125-28Backup Power Supply112Data2 Schematic and PCB.29.32Exploded Views and Parts Lists.113-114Datal Schematic and PCB.33-36Repacking Instruction...115SERVICE MANUAL
请登录后查看评论内容