

第1页 / 共48页

第2页 / 共48页

第3页 / 共48页

第4页 / 共48页

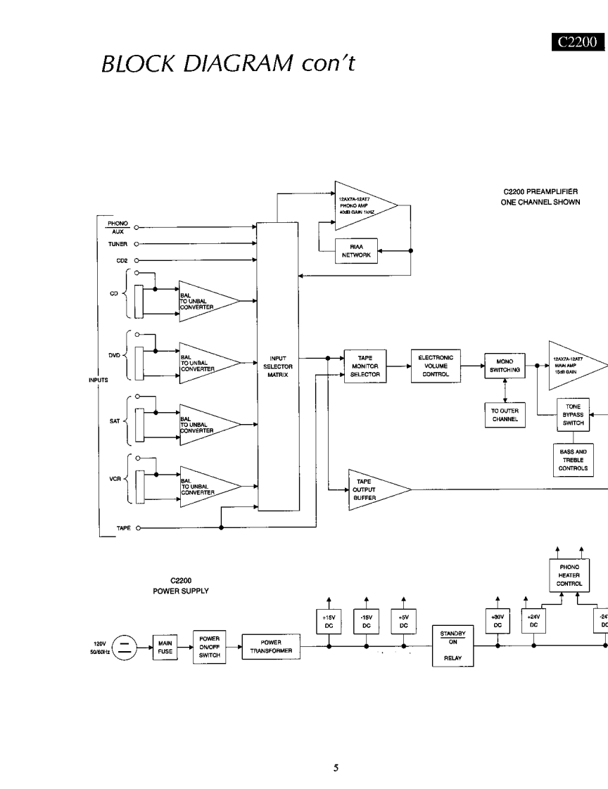
第5页 / 共48页

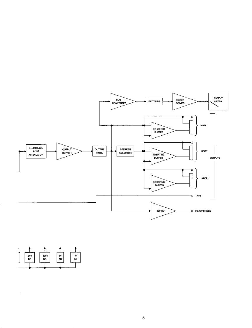
第6页 / 共48页

第7页 / 共48页

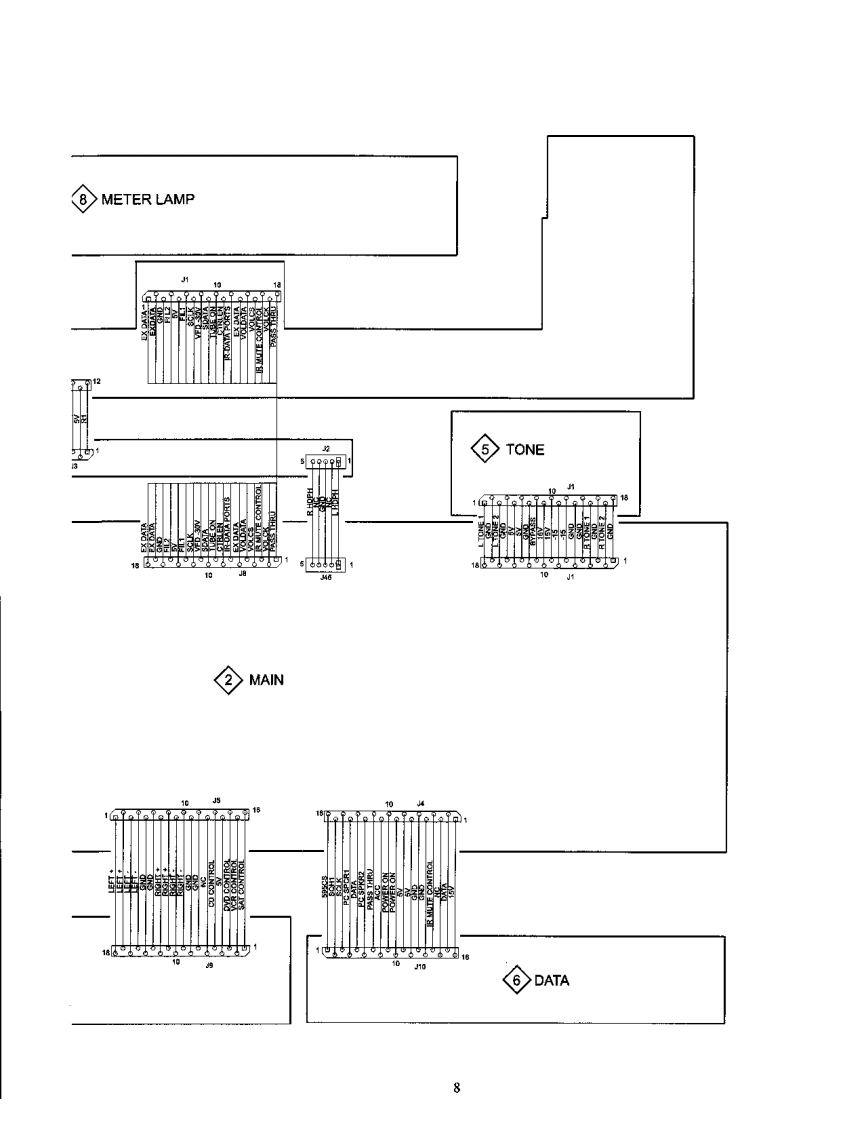
第8页 / 共48页

第9页 / 共48页

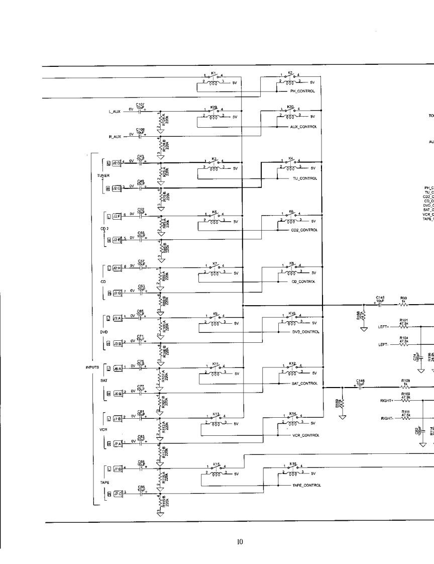
第10页 / 共48页
试读已结束,还剩38页,您可下载完整版后进行离线阅读
THE END
aInloshC2200TUBE PREAMPLIFIER内UT的5040p01地ge50030009OUTPUT EVELMeinioshC2200 TUBE PREAMPLIFIER3PHONO28可CONTENTSPerformance SpecificationsBalanced Schematic and PCB....29-32N0t纪5442Tone Schematic and PCB31-32Rear Panel .........Data Schematic and PCB....33-34Sectic0nL0Cati0n…Pushbutton Schematic and PCB......35-36B{ock Diagram…4-6Meter Lamp Schematic and PCB...................35-36Interconnection Diagram.8Parts List.37-42Main Schematic and PCB..9.22Exploded Views and Parts Lists....43-46Display Schematic and PCB.23-28RepackingSERVICE MANUAL
请登录后查看评论内容