

第1页 / 共23页

第2页 / 共23页

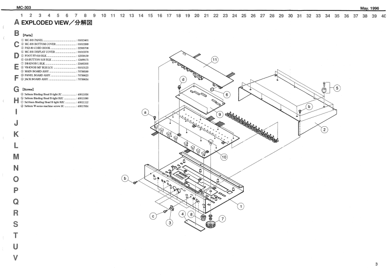
第3页 / 共23页

第4页 / 共23页

第5页 / 共23页

第6页 / 共23页

第7页 / 共23页

第8页 / 共23页

第9页 / 共23页

第10页 / 共23页
试读已结束,还剩13页,您可下载完整版后进行离线阅读
THE END
MC-303May.1996C-马▣3SERVICE NOTESSPECIFICATIONS/仕樣First Edition●TONE GENERATORgroaveboxIssued by RJAAINTOASETS.●EDUENCERTABLE OF CONTENTS目次PageSPECFICATIONB仕一WR ATIONPATTORNELOCATION OF CONTROLS单4配置国EXPLODED VIEW骨M区..3PARTS UST一y刂其FATTERN BET_BLOCK DIAGRAM7口3分国0M8南-10oi400TEST MODE于又卡t=下7-12FACTOAY PRESET18●CONNECTORS.CHECK UP VERION AND NATTERY VOLTAGE代一分36,罗)-量庄0m圆13BULK DUMP67y:寸14-15CIRCUIT BOARD (MN!多板M补CIRCUIT DIAGRAM IMAN国毫2MA017CIRCUIT BOARD IPANE且L)琴G同PANEL.CUCUIT DIAGRAM (PANELNEL..........CIACUT BOARD IJACK料香析回C20CRCUT DIAGRAN ACKI区mC21CHANGE INFORNATON蜜更情智,22DTm琴●KEYB0 RD PAD1裙举●DIBPLAY于9w0n●POWER SUPPLYAC Acapo dhc m●CR9 ENT DR4WSaunA●OMEN8et格●wT1GHT5●CCESSORE5ML5e”EMANLAL SET DOMHEVE24C4AC4a网4124454●0PTOw8FP9p-24划■Roland17059847Cc军ge1yA起位eWPrinted in Japan AF00 [DP-P)1
请登录后查看评论内容