海能达PD7XXG-Serv-Man-Schematics维修电器原理图手册

海能达PD7XXG-Serv-Man-Schematics维修电器原理图手册-找手册网
海能达PD7XXG-Serv-Man-Schematics维修电器原理图手册
此内容为付费资源,请付费后查看
1921
付费资源

第1页 / 共29页

第2页 / 共29页

第3页 / 共29页

第4页 / 共29页

第5页 / 共29页

第6页 / 共29页

第7页 / 共29页

第8页 / 共29页

第9页 / 共29页

第10页 / 共29页
试读已结束,还剩19页,您可下载完整版后进行离线阅读
THE END
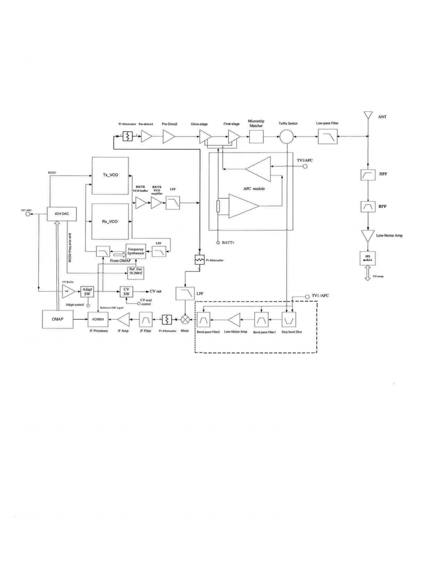
HyteraTMSERVICE MANUALSchematicsDMR PORTABLE RADIODMR
喜欢就支持一下吧
评论 抢沙发

请登录后发表评论

    请登录后查看评论内容