

第1页 / 共20页

第2页 / 共20页

第3页 / 共20页

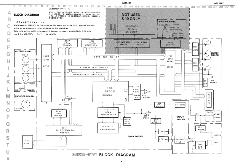
第4页 / 共20页

第5页 / 共20页

第6页 / 共20页

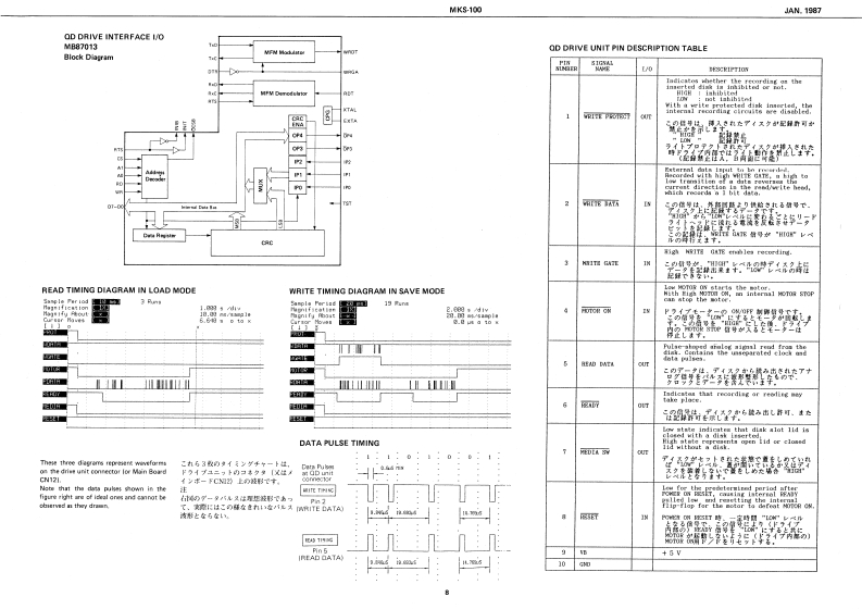
第7页 / 共20页

第8页 / 共20页

第9页 / 共20页

第10页 / 共20页
试读已结束,还剩10页,您可下载完整版后进行离线阅读
THE END
JAN,1987MK5.100MKS-100SERVICE NOTESFirst EditionSPECIFICATIONSQe菜DsKDELAY10:0-12weCapatiTy 22k wordkideAUTO BEND841W08EMABEND Depth 0.-32 eriteeeBwrglirg Rote34H2/154H2ARPE00I0Roland,④,色A卡R,0H-20H2DA Corwerxr:16baExT8ATLAYSarpling Time:4wc风14C+DT00wTT网:0.12.7wca'可b1wc(A C.DIINFUT NIC:y0Ems41与uL12:-201:0t24IA8C00;-151a100H13/220w1E4runa6好1-3018Wre Maory1280h11w1101731951D1754y林时eT线◆M风时et1914用18-1飞发3J16nLFORatrI0.065HE-12HEw176416集.42Delew10.440eTUNE:00Deture:159chBark Tuse:452c相Laag TureDISASSEMBLING PROCEDURE1134401401一h映EVH-LOAS5A0KA11237969224t平正时西131020ED-1m4110094!22410尚雨再早Fet.EVH-L'Suman A球dw线dueethe fol loin国A307A11129124122RolandPrinted in Japen AB-2 (L10 1
请登录后查看评论内容