

第1页 / 共26页

第2页 / 共26页

第3页 / 共26页

第4页 / 共26页

第5页 / 共26页

第6页 / 共26页

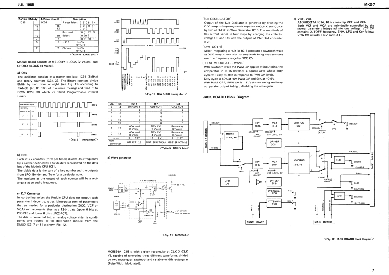
第7页 / 共26页

第8页 / 共26页

第9页 / 共26页

第10页 / 共26页
试读已结束,还剩16页,您可下载完整版后进行离线阅读
THE END
JUL 1985MKS 7MKS-7SERVICE NOTESDISASSEMBLYTOP PANEL REMOVAL SCREWS:0..adFirst EditionSPECIFICATIONSMEOOY BLOCKMASTER TUNE本5c市伊顶出妇0OUTPUTNULT1POWER CONSUMPTION 2DIMENSIONSAw8品22533SUSTAI LEVELWEIGHTDELAY TIMEIVORY4ACCESSORIESBASS BLOCKI5出240作Connection Dand (2.nlOPTIONS312os能e别TAIN LEVEL福WL型2网FRONT SIDELEDLEVL品14TO PANE是oTPL签n24891370eANGLE 2122104012247004000纳的004幻8411打2174ACK¥K#1601013443145m.5+a03541FOT ENAKEDO 18 11333804k912aREAR SIDE0T.R21100A122925450KGT02M5(1248C¥c1T绕2RolandALORFR FOOT 93640区YKD110121144314CKY121S0351344921a0×K821801011]4402535NL51222541310024RolandPrinted in Japen1
请登录后查看评论内容