MSQ-100_维修手册电器原理图

MSQ-100_维修手册电器原理图-找手册网
MSQ-100_维修手册电器原理图
此内容为付费资源,请付费后查看
1921
付费资源

第1页 / 共8页

第2页 / 共8页

第3页 / 共8页

第4页 / 共8页

第5页 / 共8页

第6页 / 共8页

第7页 / 共8页

第8页 / 共8页
已完成全部阅读,共8
THE END
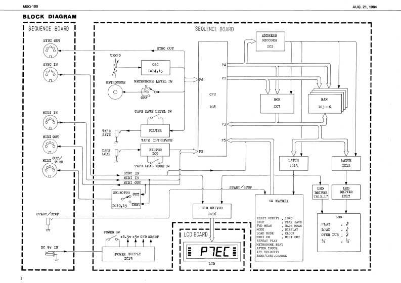
AUG.21,1984Ms0-100MSg-1O▣SERVICE NOTESPARTS LISTCASE分-入15159303IC45843P Hex Schaitt Trigger1514911454527FTransistor ArzaySPECIFICATIONSFirst Edition22215415Pane11车具22615427Chassi815189146IR9022Lov-Pover OP AEpMenery CapasityApprax.6100 rtees lone notelttepl122W122D6040mm22215713LCD Panel〔elear)010由ud8780W0%81MD引x2140In22395112Nagnet7,9下15189115T022cLov-Pover OP AspCurret Drw:108ma0v0CnKNO0 UTTON7了8、求夕DO0E才-卡22475327nob25TEMPO15019120192473224T5660tt0n《0rnge)本yy1010A01501920818B35-20022475572Button(white)RESET,15019613005Z5.6y#-zener22255453STOP15029109GL-3A821E02241569Button(blve)PLAY(POWER,LOAD.PLAY,REPEAT PLAY)22479306 Button(white)15029168TLUR-12430 (1341201FWD MEAS,BACK MEAS15029171L-26LED (LOAD MODE)22475328 Button(gray)POWER,REPEAT PLAY.TIE,BESET,MEAS ENDTRANSISTOR卜9之岁X李151852308800SWITCH个y乎(er1512951625D880Y)05KE10901151291412sC1740Q13129344SEA12-1了,¥1push(or1512911325C1740R)3124544PA5215119106D028A933Q同4¥◆非风1211123约-LGD Pandl (kwrl13159320s8B023-12PW(15119106DR25A933R)13169636BP-B平,号7dipCAPACITOR3F梦PCB ASSY林板先13589501F20E47320.047F75.3W793351008 equence2oard(c622915025万bigh-capacitance.LSDSLD-Unlev-leakage,10291711鱼fgh-1 pedance,ACK艺yace-polarized,LED-13449125LJ0520-01-110START/STOPmfafature capacitor13449409H8J0785-01-030LOAD,SAVEfor RAM back up13449J06Ec0470-01-230nc9v IN13429626H-52NIDI.SYNCCONNECTOR3京乞夕134j92453022-19a19p1aLCD BoardC0L彐f儿23450905rubber conductorcontact124492441E-A120KA12μ日23430513rubber connectorspacerPOTENTIOMETER求y1-219788K162K20-1H0TENPOOTHERS元格Xtal3299137且F8P01-104100KBtrimser12389715FC002T4.12万HJ6466制A42-111344-I定RESISTOR ARRAY赶抗YL12389723337-307拼B山2里e15229700T2552Photo Coup1e2247为13919148RC5D7x103K10K×7学卡是▣为了915029408团0063043LCD1343ic15179188ED6010M11FG151796592764-659KP-KCHlAC ADAPT0RAGP岁ブ岁151793]5362641P-1515179322E6I16F-4壳品444151695091252LCD driver12449509PSA-100(101516931674L312513449510P9A-120eptloa《11V)quad bus butfer gate vith 3-state12449511P8A-220optica220同单名omtp阳12449512P8A-240optioa《24W)4131626015159514T4C1032HEC242001-33日qud2-1put0级Le114463815159506TC40H1383t0811■derodur/da▣1E1p1eXer15159511Te40H174P20514L红D-Type F11p-F1op122143升151591241C4093PQuad 2-Ieput UND Selaitt TriggerRolandPrinted inpnB3
喜欢就支持一下吧
评论 抢沙发

请登录后发表评论

    请登录后查看评论内容