大连叉车DalianCPCD30_CPQD30_CPCD35ForkliftSparePartsCatalog维修与零部件说明书手册

大连叉车DalianCPCD30_CPQD30_CPCD35ForkliftSparePartsCatalog维修与零部件说明书手册-找手册网
大连叉车DalianCPCD30_CPQD30_CPCD35ForkliftSparePartsCatalog维修与零部件说明书手册
此内容为付费资源,请付费后查看
1921
立即购买
您当前未登录!建议登陆后购买,可保存购买订单
付费资源

第1页 / 共101页

第2页 / 共101页

第3页 / 共101页

第4页 / 共101页

第5页 / 共101页

第6页 / 共101页

第7页 / 共101页

第8页 / 共101页

第9页 / 共101页

第10页 / 共101页
试读已结束,还剩91页,您可下载完整版后进行离线阅读
THE END
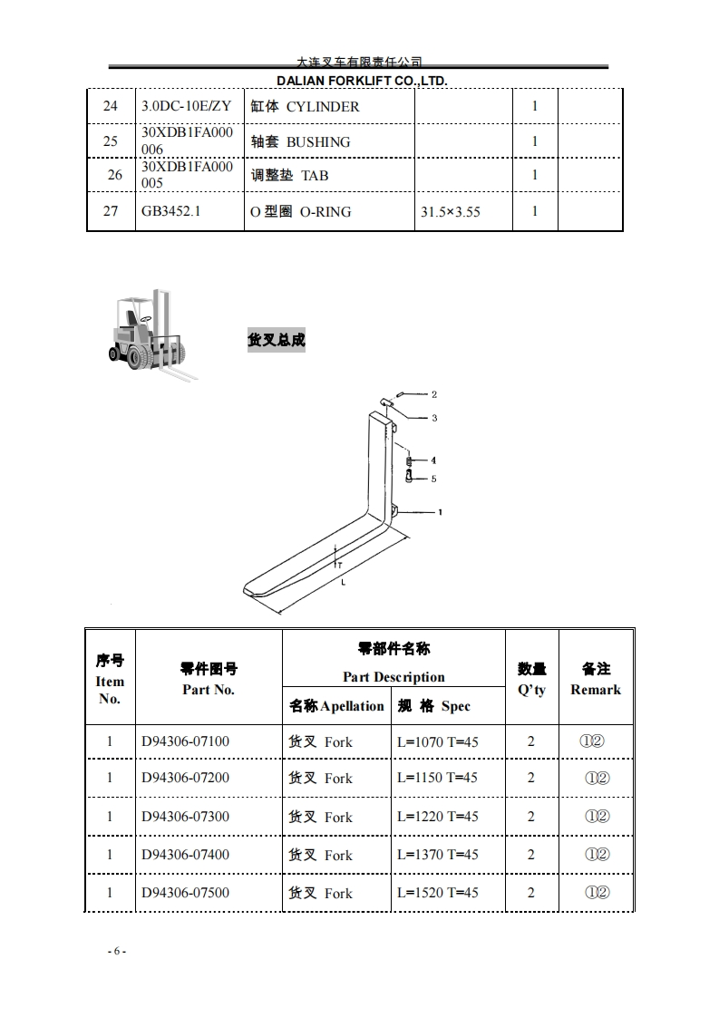
叉车雾件目录FORKLIFT PARTS CATALOGUE叉车零件目录FORKLIFT PARTS CATALOGUECPCD30CD-BBCD-CBCD-DBCD-EBCD-FBCD-RBCD-SBC-BBC-CBCPQD30QD-FBQD-BBQ-BBYD-FBCPCD35CD-BBCD-CBCD-EBCD-RB大连叉车有限责任公司DALIAN FORKLIFT CO..LTD1-
喜欢就支持一下吧
评论 抢沙发

请登录后发表评论

    请登录后查看评论内容