

第1页 / 共37页

第2页 / 共37页

第3页 / 共37页

第4页 / 共37页

第5页 / 共37页

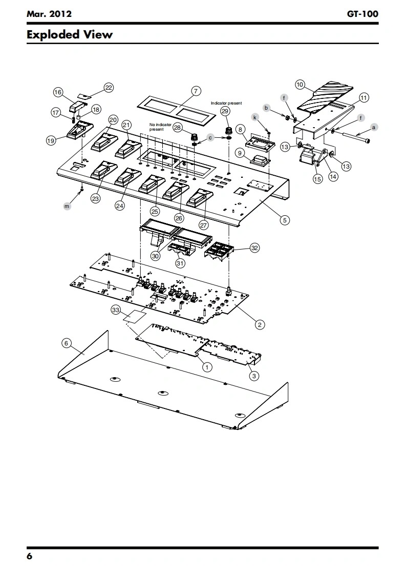
第6页 / 共37页

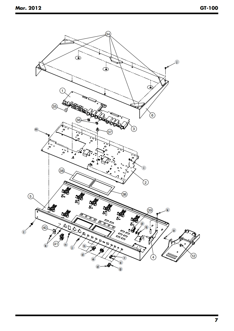
第7页 / 共37页

第8页 / 共37页

第9页 / 共37页

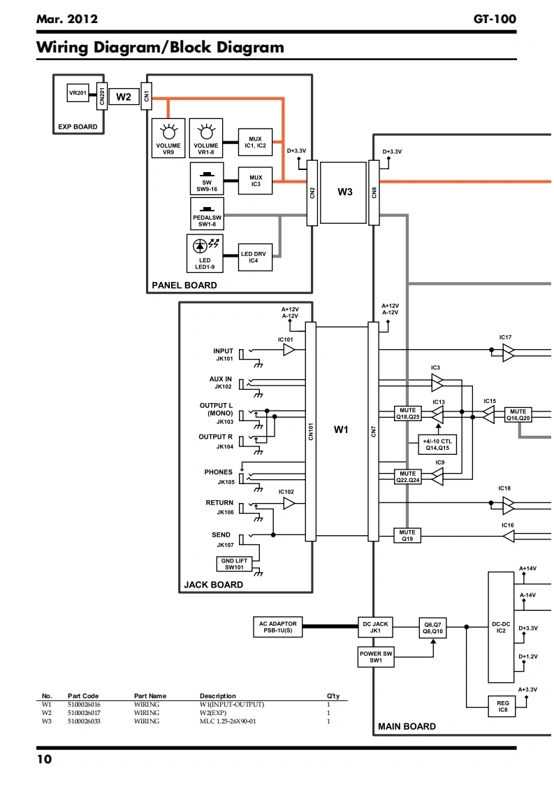
第10页 / 共37页
试读已结束,还剩27页,您可下载完整版后进行离线阅读
THE END
Mar.2012GT-100T-SERVICE NOTESGOSM AMPIssued by RJAEFFECTS PR▣CESS▣RTable of ContentsCautionary Notes...Test Mode........16AdditionalLocation of Controls .................4Circuit Board (Main Board)............22Location of Controls Parts List....5Circuit Diagram (Main Board:CPU)..24Exploded View...6Circuit Diagram (Main Board:Analog)26Exploded View Parts List.........8Circuit Diagram(Main Board:Power).28Wiring Diagram/Block Diagram........10Circuit Diagram (Main Board:Digital)..........30Parts List.……l2Circuit Board (Panel,Jack,EXP Board)...................32Verifying the Version.14Circuit Diagram (Panel Board).34Data Backup and Restore Operations.............14Circuit Diagram (Jack Board)......36Performing a Factory Reset..........14Circuit Diagram (EXP Board)...37Updating the System15回B▣SSGT-1▣EFFECTS PROCESSORU01-1Hi GAINSTACK"u9驰3Copyright 2012 Roland CorporationAll rights reserved.No part of this publication may be reproduced in any form without the written permissionof Roland Corporation.Roland17058788E0CC-KWS
请登录后查看评论内容