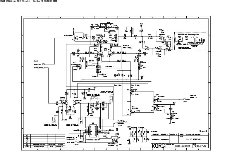
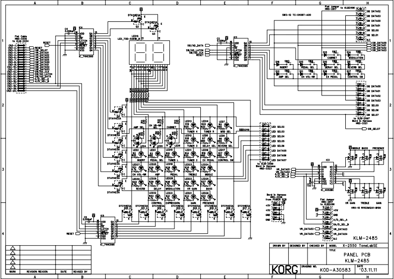
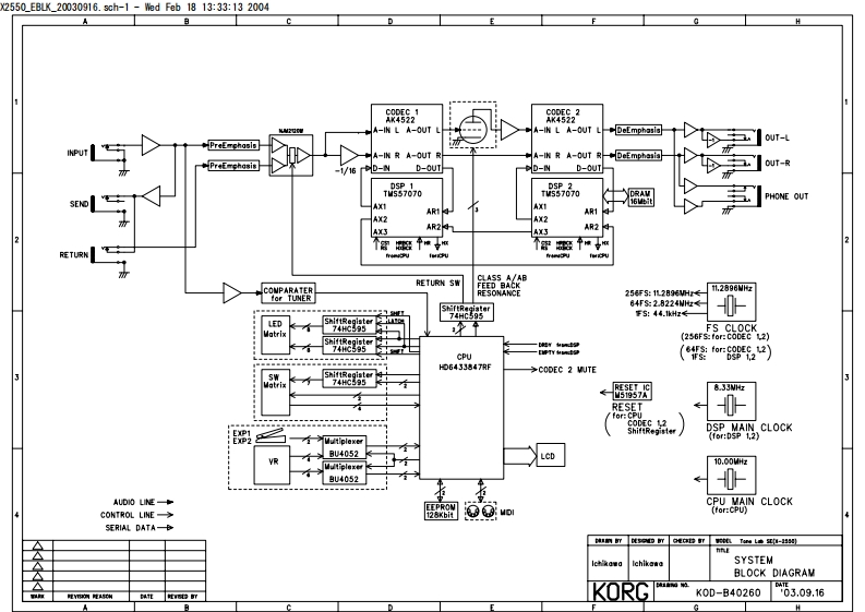
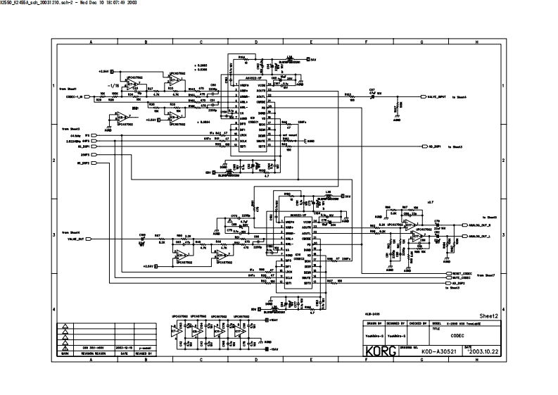
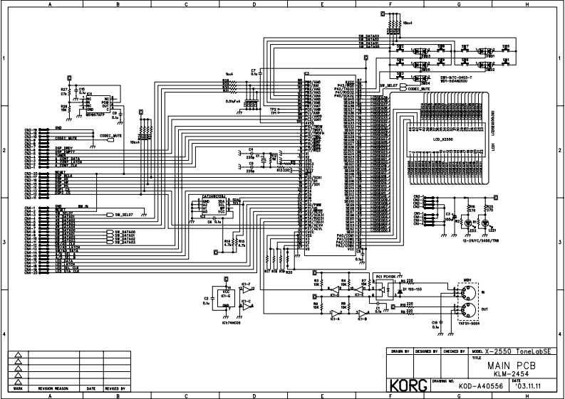
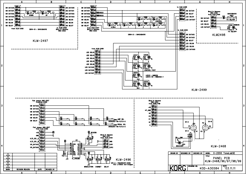
KORG-ToneLabSE_维修图纸手册找手册网21天前发布关注私信1.31MB16页029KORG-ToneLabSE_维修图纸手册此内容为付费资源,请付费后查看¥19¥21黄金会员免费钻石会员免费登录购买付费资源 第1页 / 共16页 第2页 / 共16页 第3页 / 共16页 第4页 / 共16页 第5页 / 共16页 第6页 / 共16页 第7页 / 共16页 第8页 / 共16页 第9页 / 共16页 第10页 / 共16页 试读已结束,还剩6页,您可下载完整版后进行离线阅读 THE ENDKorg/Roland 文本预览 Seryice ManualToneLab seCONTENTSCircuit Diagram:Page 1-6Block Diagram:Page 7Cable:Page 8-9External Diagram:10Test Mode:Page 11Parts List:Page:12-152nd EditionIssued date:May 27th,2004Issued by:KORG INC. 查看更多 收起部分 喜欢就支持一下吧收藏
请登录后查看评论内容