RCL-10_维修手册电器原理图

RCL-10_维修手册电器原理图-找手册网
RCL-10_维修手册电器原理图
此内容为付费资源,请付费后查看
1921
付费资源

第1页 / 共4页

第2页 / 共4页

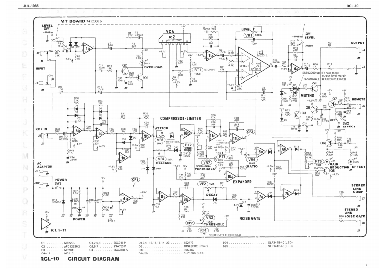
第3页 / 共4页

第4页 / 共4页
已完成全部阅读,共4
THE END
UL.19侧RCL-10⑤E▣SS RCL-10SERVICE NOTESPARTS LISTFirst EditionTop PanelSPECIFICATIONSFront PaselKNOR.RUTTON724025号0r61-1dlm/2524703#60看■a比rm康sn0t琴EG2247025001ncW402s2L超t63eRNTTOPTRRESHOLDIO九t/E-95dBm IIHF-A)or ku LEVEL waitch-1200BsEE801-)07形ra5FONEN/EFFEETBEE角LEELTD22260SWITCH39575w。1写2m1312558-1514141量1312935555-101围5行料Awftching厦Low nodae 00 ampTop PaenTRANSISTOR队153841】-P.4440d23山5-.下15裤2919网L5129108G15N2214015121362902474-41247-244-思POTENTIONETEH:5辆内12191011321916313219361EW-6A3月2A141W☑ATTAOEE丙6A32A5436AAL0193日RELEASE/DECA灯22N可4353MJ2242ERATI00A4HF3H751410K0112000012PoL EVH-SA332R242240PoL CVHGPADD2A14t.EVH6A332454家A247002014971t江040-0143特PC1262H2M5201LLU03001-t10114481511】4431255Pin AssionmentBlock DagramPin Asiganent[Tap Viewl▣ee回包o回回I-I INPUT9可-1vo134711033m小线200BUN-193Ht144%21214RolandPrinted in Japan BE2
喜欢就支持一下吧
评论 抢沙发

请登录后发表评论

    请登录后查看评论内容