ROLAND-PG-10_维修手册电器原理图

ROLAND-PG-10_维修手册电器原理图-找手册网
ROLAND-PG-10_维修手册电器原理图
此内容为付费资源,请付费后查看
1921
付费资源

第1页 / 共8页

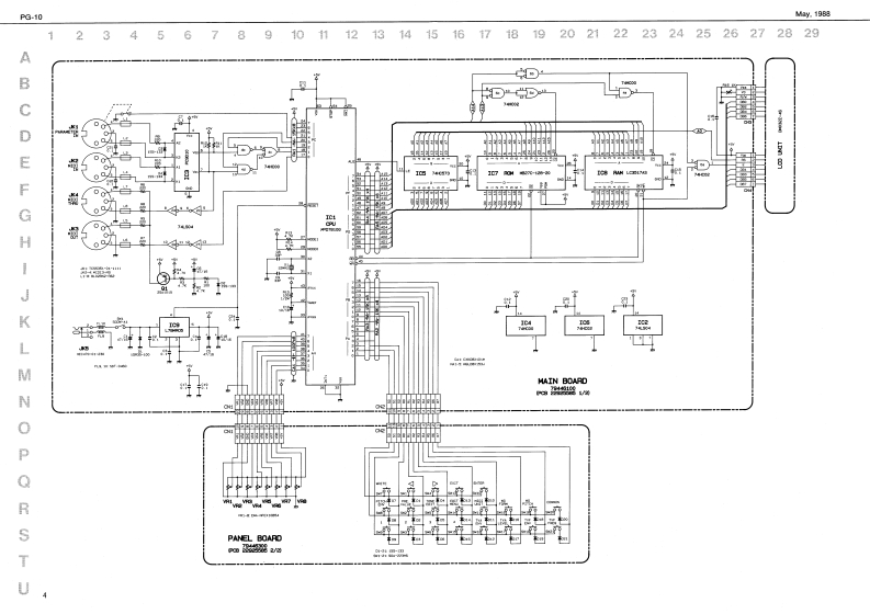
第2页 / 共8页

第3页 / 共8页

第4页 / 共8页

第5页 / 共8页

第6页 / 共8页

第7页 / 共8页

第8页 / 共8页
已完成全部阅读,共8
THE END
May.1988PG-10SERVICE NOTESEXPLODED VIEW./分解☒PG-1▣First EditionCD245SPECIFICATIONSCURNENT CONSUMPTION200mA DC at 9先1HT中===10与1tba2纳hu14ep0DIMENSION828M▣14a46HMmm01516”g516r1-1316AC ADAPTERPSA-100100WF5A170117P5A270T20YP54-24D2454mAoad己G-1▣x1n起edALcD ue (a014a2的awtes in★n】和两Remove Screws④④,x omP.Tigh Fe BC千·年-卡化华是·率一球化,卡线多】Ts两wt约n标ewTe酬为方w年三可的手2球4a中分制可飞心切at轴佛0同多?罗桑T得脑儿t中,RdlandPrimtod in Japan Al-2 (GR 1e时324T3通
喜欢就支持一下吧
评论 抢沙发

请登录后发表评论

    请登录后查看评论内容