

第1页 / 共30页

第2页 / 共30页

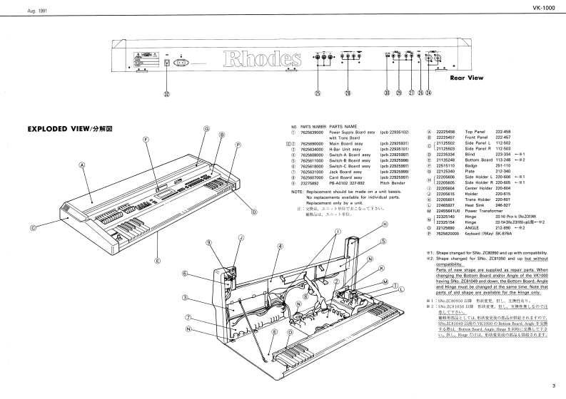
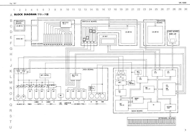
第3页 / 共30页

第4页 / 共30页

第5页 / 共30页

第6页 / 共30页

第7页 / 共30页

第8页 / 共30页

第9页 / 共30页

第10页 / 共30页
试读已结束,还剩20页,您可下载完整版后进行离线阅读
THE END
Ag.1图VK-1000RhodesSERVICE NOTESVK-1000First EditionRhodes ORGANTABLE OF CONTENTS目次PageSPEC1 FICATIONS/仕模SPECIFICATIONS....仕OKeyboard75 Keys.E 1o G.with VeloetyLOCATION OF CONTROLS/5来配置回4444一4@8o同nd sourceu3特A5h6n6Ex风ODED VEW…分解回4门写叠++4444444444一444444444444444444444444444414OMemory capatynmalH Parchau队0CKD以GRAM4 AA11C401111100111111口y☒Memory Card IM-254 Patchas月汽月T写1T44444444444444404440411401141年111t9=☑)天卡1OLCD Dsplay-a0¥det backit LCDKEYBOARD PARTS LEST..C0a绿tmLwmn,KFY DSASSEMBLY键粒异解手朝一一…8,9Dlune:max.8 Kaya on prcussios:nermalLOADING THE FACTORY PRESETIDENTIFYING VERSION NUMBER式一罗男之,手上/一00播明方法aa好nable ped1:0价的时·5127川TEST MODEfasignble p6df2:0m时.5127升DATA SAVELOAD-..子-0在-7/D-卡…11w134 asignoble p6ds3:0m时.5127升ADJUSTMENT SPECIRCATIONS-DA ADJUSTMENT·同发仕样“D,A根…1323W1280W.24MMAIN BOARDMAIN BOARD-1415125552011HmSWITCH A BOARDSWITCH-A BOARD…1649-7160W1 x 20-1/21D0 x 4-12IHI inchesCARD BOARDCARD BOARD…16OWeighe220g/80SWITCH C BOARDSWITCH.C BOARD…160Ac就的相结一=Owner'e Manudl Set (loanege)26045611H-BAR UNIT ASS'YH-BAR UNIT ASSY17Owner'e Manwal Set (Englishl269M5I2SWITCH-B BOWRDTB4-R月年题可门4444444-119AC Cord IDetac由h限有0JACK BOARD282100WDC016J01CK BOARD:23496117POWER SUPPLY BOARD ASS'YPOWER SUPPLY BOARD ASSY11VUc-704J01川:1143a112FDWITH TRANS BOARDWITH TRANS DOARD277W摆C28[00:114391]FD240Wt1EJ7G0-02345510x-76ABPL0W-7A8SY1一5K-行6A037PL0W-了AY--…23,SK-876-APCB 2P MID P.7 ASS'Y*0*SK-8T6-APCB 32P MO P-7 ASSY…23,24240WAC415-.00:I3432g14f0SK37港AP℃B12PH州P7AS8Y-*4=gK-87总-A812p相p.7Ag8Y--一…23.2Aud o Cable (PJ-1MICHANGE INFORMATIONRS-ED IStaedlTROUBLESHOOTING.--....-h号7儿少3一子f5一…一-…26,27M-256E (Mamory Cord28作+110081eteo0a电oneC DATA一C于一yDP.2R6R.FS SU (Pedal SwileNSTAND RS-80R8-8030EV5/10 (Expression PedatPK5 (Dynemie MD PedaDRoland17059613Prined in Jap的aGE0tCRm1
请登录后查看评论内容