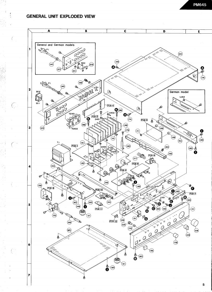
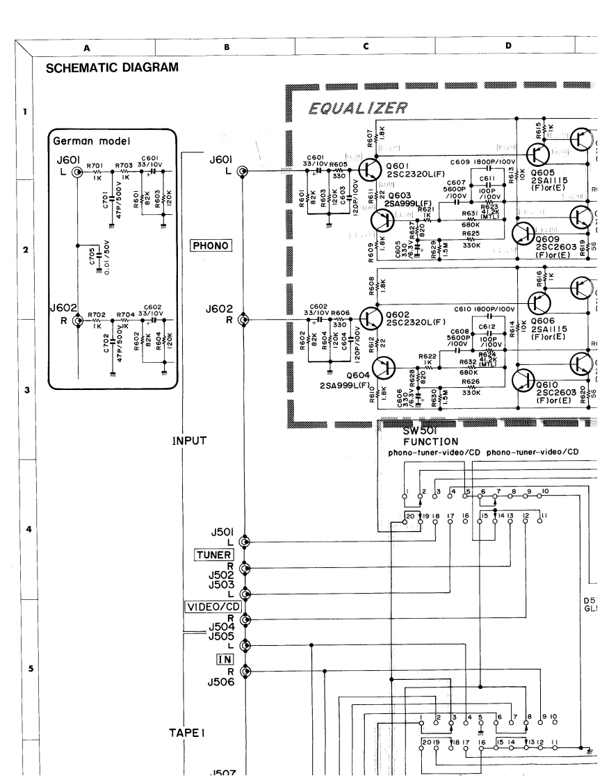
Harman-Kardon-PM645维修手册找手册网21天前发布关注私信1.91MB25页042Harman-Kardon-PM645维修手册此内容为付费资源,请付费后查看¥19¥21黄金会员免费钻石会员免费登录购买付费资源 第1页 / 共25页 第2页 / 共25页 第3页 / 共25页 第4页 / 共25页 第5页 / 共25页 第6页 / 共25页 第7页 / 共25页 第8页 / 共25页 第9页 / 共25页 第10页 / 共25页 试读已结束,还剩15页,您可下载完整版后进行离线阅读 THE END哈曼卡顿/飞利浦 文本预览 ERic NEcSonThe Harman KardonModel PM645Manual No.79ASTEREO INTEGRATED AMPLIFIERPM瓷4sTechnical Manualharman/kardon24G088WAY8 PARK WE5T.W0 DAURY.M.¥,11771112-H15279A3 P-088410 1850 PRINTED IN JAPAN 查看更多 收起部分 喜欢就支持一下吧收藏
请登录后查看评论内容