Traynor-YBA200-2-Schematic维修手册

Traynor-YBA200-2-Schematic维修手册-找手册网
Traynor-YBA200-2-Schematic维修手册
此内容为付费资源,请付费后查看
1921
付费资源

第1页 / 共9页

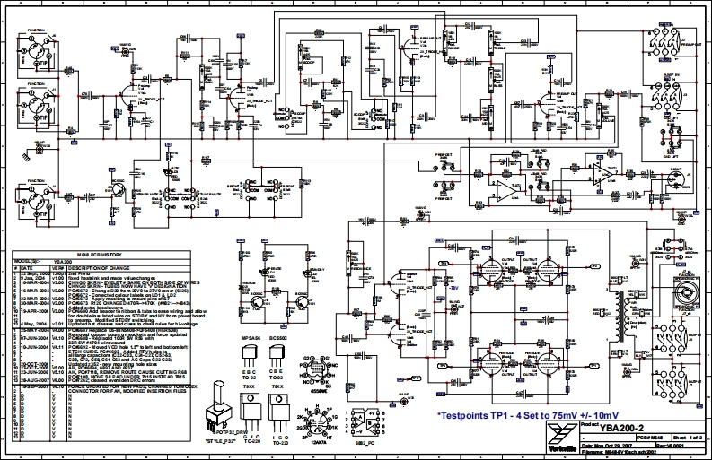
第2页 / 共9页

第3页 / 共9页

第4页 / 共9页

第5页 / 共9页

第6页 / 共9页

第7页 / 共9页

第8页 / 共9页

第9页 / 共9页
已完成全部阅读,共9
THE END
YorkvllleSERVICE MANUALMODEL TYPE:YS1029YBA200-2WEB ACCESS:http://www.yorkville.comWORLD HEADQUARTERSCANADAUSAYorkville SoundYorkville Sound Inc.550 Grante Court4625Witmer Industrial Estate8空,00w10、@9Pickoring.OntstoNagam Fall,NowYokL1WA3Y8 CANADA14305U5A⊙9.2·g9@¥96l0r30583.84816cg(716间2972920Fc30间8378746Fc(716同29735890¥0AYorkvllleQuality and Innovation Since 1963Apr 17anul-Garvioe-BAD-Serim-2-00-4
喜欢就支持一下吧
评论 抢沙发

请登录后发表评论

    请登录后查看评论内容